Die innovative Art, CO2-steuerfrei in die Automobilbau-Zukunft zu fahren

Sie sind hier: WDF-Startseite

Das Methanol-Fahrzeug konkurriert mit Diesel-, Wasserstoff- und Batterieelektro-Fahrzeugen

Gegenwärtig werden von interessierter Seite das Wasserstoff- beziehungsweise das batterieelektrische Auto als Lösungen gegen Luftverschmutzung und Klimawandel beworben. Mit der Methanol-Brennstoffzelle ist jedoch von der Firma Gumpert Automobile eine weitere nennenswerte Antriebsvariante in der Entwicklung, die ebenfalls den CO2-steuerfreien Betrieb von Autos und Lastkraftwagen vorsieht und zudem die Chance bietet, die vorhandene Tankstellen-Infrastruktur ohne große Investitionen weiterhin nutzen zu können. Zeit, sich diese Zukunfts-Technologie näher anzusehen.

Es ist aus technischer Sicht ein Fehler vonseiten der Politik, Vorgaben zu machen, welche Antriebsarten in der Mobilität künftig noch erlaubt sind. So ist das Batterieelektroauto sicher eine gute Wahl für den einen oder anderen Käufer, doch noch lange nicht der Weisheit letzter Schluss für Interessenten, die beispielsweise schwere Güter über weite Strecken transportieren müssen. So wird Speditionen als Alternative zum Dieselmotor derzeit nur der Wasserstoff- beziehungsweise der Batterie-LKW schmackhaft gemacht.

Während Diesel-LKWs eine Reichweite zwischen 800 und 1.500 Kilometer pro Tankfüllung besitzen [8], sind es bei Wasserstoff-Brennstoffzellen-LKWs aktuell zwischen 500 und rund 1.000 Kilometer pro Tankfüllung [7] und bei batterieelektrischen LKWs zwischen 150 und 600 Kilometer pro Akku-Ladung [1] [6].

Zwar wird in einer Studie – die im Auftrag des BMWE erstellt wurde [1] – davon gesprochen, dass bis zum Jahr 2033 die Reichweite von E-LKWs durch bessere Batterien auf bis zu 1.000 Kilometer pro Akku-Ladung steigen soll, doch werden wohl selbst bei Nutzung innovativster Batterien weiterhin wesentlich geringere Nutzlastkapazitäten einhergehen, was dem hohen Gewicht von Batterien geschuldet ist.

Selbst mit den vielgepriesenen Wasserstoff-Lösungen, wie etwa der H2-Brennstoffzelle oder dem H2-Verbrennungsmotor wird es keine finalen Erfolge im Bereich Verkehrslogistik geben, da die Handhabung kompliziert ist. Hinzu kommt, dass die Distribution und Bereitstellung von einer Wasserstoffinfrastruktur kompliziert und sehr kostenintensiv ist.

Ganz zu schweigen von der Explosionsgefahr des Wasserstoffs, die bereits dem Luftschiff „Hindenburg“ zum Verhängnis wurde. Das Explosionspotenzial von wasserstoffbetriebenen LKWs wäre wohl ein reizvolles Zielobjekt für Terroristen, weshalb diese unter Umständen gegen die Inbetriebnahme durch unbefugte Personen besonders geschützt werden müssen..

Ein neuer Antrieb für eine neue Zeit

Alle diese Probleme sind der Methanol-Brennstoffzelle von Roland Gumpert fremd. Der ehemalige Audi-Ingenieur war unter anderem bei der Entwicklung des Quattro-Antriebs federführend und ist der Treiber der Methanol-Brennstoffzelle, die ab 2027 im großen Stil in Serien-LKWs eingebaut werden soll.

Mit seinem Sportwagen „Nathalie“ hat Roland Gumpert, Geschäftsführer der Gumpert Automobile GmbH, bereits Geschichte geschrieben und nachgewiesen, dass CO2-steuerfreie Antriebe nicht unbedingt eine große Batterie besitzen müssen.

Ob Smart, Nathalie oder LKW – die Methanol-Brennstoffzellen von Roland Gumpert sind keine theoretischen, nur auf Technischen Zeichnungen zu bestaunende Entwürfe, sondern können bereits seit Jahren im Praxisbetrieb gefahren werden. Derzeit sind Brennstoffzellen für LKWs der Gewichtsklasse 3,5 Tonnen sowie 7,5 Tonnen als Prototypen bereits auf der Straße und das erste 40 Tonnen-Projekt ist in Entwicklung.

  • Die Nathalie ist ein Supersportwagen, dessen Methanol-Brennstoffzelle eine Leistung von 15kW besitzt. Diese wandelt erst Methanol in Wasserstoff und diesen dann in Strom um.
  • Auch 3,5 Tonner können mit einer Methanol-Brennstoffzelle ausgerüstet werden.

Die von Gumpert Automobile entwickelten Methanol-Brennstoffzellen werden selbstverständlich umfassend geprüft, ehe diese in ein Fahrzeug eingebaut werden. Dazu steht unter anderem ein eigener Prüfstand zur Verfügung, der mit modernstem Mess-Equipment ausgestattet ist.

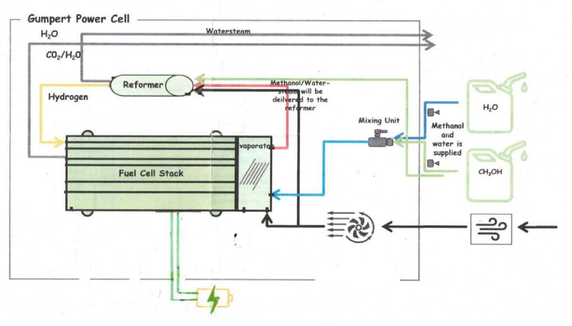
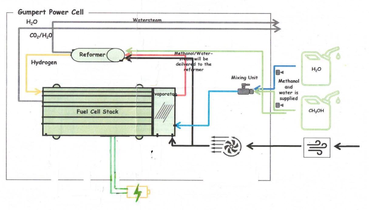
So funktioniert eine Methanol-Brennstoffzelle

In einer Methanol-Brennstoffzelle à la Gumpert werden Methanol und Wasser im Verhältnis 60:40 gemischt und in einen Verdampfer geführt. Dampfförmig wird das Gemisch dann in einem Reformer weitergeleitet, wo Wasserstoff sowie CO2 und Wasserdampf entstehen. Das Reformiergas wird dann einer Brennstoffzelle zugeführt, wo der Strom erzeugt wird, der den elektrischen Antriebsstrang mit Energie versorgt.

Wichtiger Hinweis für Fuhrparkbesitzer:

Spediteure beziehungsweise Unternehmen mit einem LKW-Fuhrpark haben künftig eine weitere Wahl, CO2-steuerfreie Fahrzeuge zu betreiben, denn die Firma Gumpert Automobile plant, ab dem Jahr 2027 als Tier 1-Lieferant die Systemintegration ihrer Brennstoffzellen direkt am Band der OEMs. Ab sofort ist es daher möglich, nigelnagelneue LKWs direkt beim Hersteller mit einer Methanol-Brennstoffzelle zu bestellen. Nähere Auskünfte dazu erteilt das Unternehmen Gumpert.

Keine Tanksorgen

Eigene, mit Methanol gefüllte Tanks machen von Tankstellen unabhängig und sorgen in der Übergangszeit bis zur flächendeckenden Versorgung mit Methanol dafür, dass die eigene LKW-Flotte mühelos strengste CO2-Grenzwerte erfüllt. Diese Lösung wäre auch für Privathaushalte möglich, zumal eine kleine Zapfstelle nur wenige Tausend Euro kostet.

Wer Bedenken hat, einen Methanol-LKW ob des nicht vorhandenen Kraftstoffs an Tankstellen zu bestellen, wird erfreut feststellen, dass es für dieses Problem eine Lösung gibt, die ob ihrer Einfachheit überrascht. Anders wie bei allen anderen neuen Technologien wie BEV, H2 oder Ammoniak ist es bei Methanol um ein Vielfaches einfacher, die nötige Infrastruktur bereitzustellen.

Bei Verwendung von Methanol müssen keine neuen Tankstellen errichtet werden, sondern bestehende Diesel oder Benzinzapfsäulen können mit überschaubarem Aufwand auf Methanol umgestellt werden. Dies ist im Feld der neuen Energien einzigartig und unterstreicht das Potential dieser Technologie.

Bei der Methanol-Brennstoffzellen-Technologie ist die Reichweite keine Herausforderung mehr. Einzig die Tankgröße entscheidet über die Reichweite, ähnlich wie beim Diesel. Dies bedeutet, dass es möglich ist, LKWs, die nur wenige hundert Kilometer rund um die Spedition unterwegs sind, mit nur einem Tank zu bestellen und andere Fahrzeuge, die weitere Strecken zurücklegen, mit entsprechend weiteren Tanks ausrüsten zu lassen.

  • Ist ein LKW nur im Nahbereich rund um den Heimatort unterwegs, so genügt ein Tank, um diese Aufgabe zuverlässig zu erfüllen.
  • Ist ein Fahrzeug hingegen weiter entfernt unterwegs, so können in Zukunft bei der Bestellung eines neuen LKWs entsprechend weitere Tankkapazitäten geordert werden.

Die Kosten im Griff

Allgemein wird beklagt, dass Methanol für Fahrzeuge viel zu teuer sei, deren Betrieb daher völlig unwirtschaftlich wäre. Das ist falsch! Fossiles Methanol liegt bei Abnahme industrieller Großmengen im Bereich von rund 480 Euro pro Tonne, was bei einer Dichte von rund 0,8 kg pro Liter ungefähr 1250 Liter Methanol entspricht.

Methanol aus fossilen Quellen kostet demnach nur rund 0,4 Euro pro Liter. Da der Heizwert von Methanol mit 19,9 MJ/kg rund die Hälfte des Heizwerts von Benzin (40,1 MJ/kg) beträgt [3], wäre der Verbrauch von Methanol in einer Wärmekraftmaschine bei ähnlichem Wirkungsgrad entsprechend doppelt so hoch. Wird von einer Verdoppelung des Verbrauchs ausgegangen, beträgt der Preis umgerechnet jedoch immer noch nur rund 0,8 Euro pro Liter, was um über die Hälfte günstiger gegenüber E10-Benzin ist, das gegenwärtig (13.02.2026) rund 1,75 Euro kostet.

Im Vergleich zu einem Batterieelektrofahrzeug muss zudem weit weniger Gewicht bei gleicher Leistung mitgeschleppt werden. Vergleicht man die Energiespeichersysteme nach Gewicht und Volumen, ist festzustellen, dass Methanol allen anderen neuen Energieträgern und insbesondere der Batterie haushoch überlegen ist. Vergleicht man die Energiemenge von 13,5kWh bedeutet dies bei Verwendung eines Li-Ion-Batteriespeichersystems ein Gewicht von 90 Kilogramm und ein Systemvolumen von 50 Liter. Im Vergleich dazu beträgt das Gewicht für die gleiche Menge an Energie bei einem Methanol-Speichersystem nur 3,5 Kilogramm und das Systemvolumen nimmt nur 3,9 Liter ein.

Deutlicher Unterschied: Eine Li-Ion-Batterieenergiespeicher ist wesentlich größer und schwerer als das entsprechende Methanolspeichersystem.

Gumpert Automobile verfolgt mit seiner GPC ein Mid-Power-Konzept. Das bedeutet, die Leistung der Brennstoffzelle wird auf die durchschnittliche Leistung eines Fahrzykluses ausgelegt. Diese variiert je nach Fahrzeugklasse und Anwendung. Durch dieses Konzept können Systemgrößen und Kosten optimal ausgenutzt werden.

Eine weitere Eigenschaft dieses Konzepts ist es, dass Leistungsspitzen, die zum Beispiel für schnelle Autobahnfahrten, Berganfahrten oder Überholmanöver nötig sind, durch die Batterie abgefedert werden, wodurch sie sich temporär entladen kann. Hingegen bei langsamen Fahrten in der Stadt oder im „Stop and Go“, wenn die abgerufene Leistung sehr niedrig ist, wird die Batterie durch die Brennstoffzelle wieder geladen. Die Dimensionierung von Brennstoffzellen- und Batteriesystem hängt vom erwarteten Nutzungsprofil ab und wird über Simulationsmodelle bei der Auslegung einer GPC in einer Fahrzeuganwendung bestimmt.

Wichtig:

Das System ist sogar in der Lage nach dem Abstellen des Fahrzeugs in der Garage oder einem Parkplatz Strom zu produzieren, demnach der Akku bei einem erneuten Start stets vollgeladen zur Verfügung steht. Den Stress, eine freie und funktionierende Ladesäule bei fast leerem Akku zu suchen, kennen demnach Eigner eines Methanolfahrzeugs nicht.

Idealer Flitzer für die Stadt

Alle diese Vorteile sind auch im Methanol-Smart zu finden, den Gumpert schon vor fünf Jahren fertigstellte.

  • Mit 750 Kilometer Reichweite im Methanolbetrieb sowie 100 Kilometer Reichweite im Batteriebetrieb ist der Methanol-Smart das ideale Fahrzeug für den städtischen Bereich.
  • Die Brennstoffzelle nimmt zwar einigen Platz im Kofferraum weg, doch ist diese Limitierung in vielen Fällen kein Kaufhindernis, da beispielsweise kleinere Einkäufe auch auf dem Beifahrersitz Platz finden.
  • Für das Tanken von Methanol und das Laden der Batterie sind Tankstutzen und Ladestecker jeweils separat vorhanden.

Dieses Fahrzeug eignet sich ideal für den Stadtverkehr. Zudem punktet es mit einem sehr leisen Elektromotor, einer hohen Reichweite von 750 Kilometer und einer Steuerbefreiung bis zum Jahr 2030. Ganz zu schweigen von dem geringeren Einsatz rarer Rohstoffe, wie etwa Lithium oder seltenen Erden, deren Gewinnung teilweise mit starken Umweltschäden verbunden ist. Zudem sind gerade seltene Erden zu einer geopolitischen Waffe verkommen, wodurch die jederzeitige problemlose Produktion von Batterien gegenwärtig mit großen Fragezeichen versehen ist. Die Methanol-Brennstoffzelle ist demnach eine starke Trumpfkarte für die Automobilindustrie, derartigen Engpässen meistens aus dem Weg zu gehen.

Eigenes Methanol erzeugen

Und es geht noch besser! Wenn sich etwa Landwirte und Bürger zusammenschließen, könnten diese ihr eigenes Methanol für Fahrzeuge aller Art erzeugen! Diesen Weg hat bereits im Sommer 2019 die ETH Zürich aufgezeigt. Dort wurde damals eine Demonstrationsanlage im Betrieb genommen, die es per Parabolspiegel erlaubt, pro Sonnentag aus Sonnenlicht und Luft in einer thermochemischen Prozesskette Methanol zu erzeugen [5].

Zwar wird mit dieser Anlage nur 0,1 Liter Methanol pro Tag gewonnen, doch könnten bereits mit einer Anlage von einem Quadratkilometer Fläche pro Tag 20.000 Liter Kerosin oder Methanol erzeugt werden. Entscheiden sich demnach Landwirte und Bürger dazu, sich etwa in einer Genossenschaft zusammenzuschließen und in so eine Anlage zu investieren, könnten diese ihren Bedarf an Treibstoff für die Methanol-Brennstoffzelle wohl überwiegend selbst decken.

Somit ist festzustellen, dass Roland Gumpert mit seiner Methanol-Brennstoffzelle der Welt ein großes Geschenk gemacht hat, dessen Wirkmächtigkeit für ähnliche Umwälzungen sorgen könnte, wie es die Verbrennungsmotoren von Rudolf Diesel im Jahre 1893 und Nikolaus August Otto im Jahre 1876 taten.

Welche Vorteile hat eine Methanol-Brennstoffzelle?

1. KFZ-Steuerbefreiung wie ein Batterieauto.

2. Kein Lärm im Betrieb.

3. Schnelles Auftanken.

4. Betriebssicher im Temperaturbereich von -20 bis +60 Grad Celsius.

5. Hohe Reichweite, die bei LKWs je nach Tankgröße bis zu 2.000 Kilometer und mehr betragen kann.

6. Bis zu 75% kleinere HV-Batterie im Vergleich zum reinen Batteriefahrzeug.

7. Die Batterie wird auch beim Parken automatisch geladen, sodass diese beim nächsten Start stets vollgeladen ist.

8. Das Fahrzeug kann alleine mit der Methanol-Brennstoffzelle fahren, sodass ein Liegenbleiben durch eine entladene Batterie kein Thema ist.

9. Wie ein Batterieauto kann das Methanolauto selbst betankt werden. Allerdings nicht mit Strom, sondern mit Methanol aus einem Tank, den man sich aufs Grundstück stellen kann.

Gumpert Automobile GmbH

Gumpert Automobile GmbH

Carl-Hahn-Straße 5

85053 Ingolstadt

E-Mail: info@rolandgumpert.com

Telefon: +49 1721601231

www.gumpert-automobile.com


********