Traceparts-3D-Teile in BeckerCAD nutzen

Sie sind hier: WDF-Startseite

Im Nu zur Konstruktionszeichnung 

3D-Normteile sind der Schlüssel, rasch Konstruktionszeichnungen zu erstellen. Diese werden mit BeckerCAD nicht mitgeliefert. Auf der Website „Traceparts.com“ sind diese jedoch in Hülle und Fülle vorhanden, sodass sich Konstrukteure damit viel Zeit sparen, saubere CAD-Zeichnungen zu erstellen.

Registrierung

Um Zugriff auf die 3D-Volumenmodelle von Traceparts.com zu erhalten, ist es nötig, sich dort zunächst zu registrieren. Anschließend wird eine Bestätigungsmail an die eigene E-Mail-Adresse geschickt.

Danach hat man Zugriff auf eine unüberschaubare Anzahl an CAD-Teilen, die man in vielen CAD-Formaten wie etwa OBJ, Acis (SAT), IGES oder STEP herunterladen kann. Ob Schrauben, Muttern, Bremsen, Kupplungen, Kugellager, oder Pneumatikzylinder – für jeden Anwendungsfall gibt es das passende 3D-Volumenmodell.

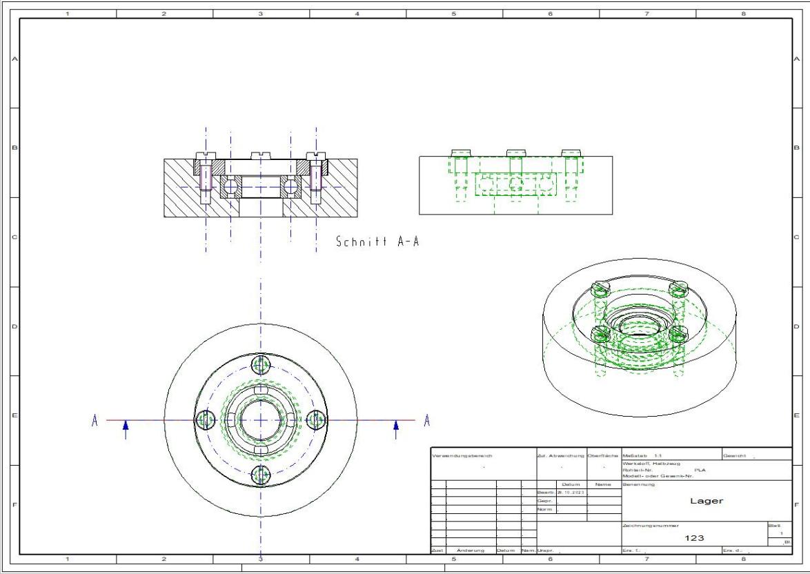
Im SAT-Format kann auch BeckerCAD diese Teile importieren und sind diese mit eigenen 3D-Teilen zu kombinieren und zu Baugruppen zusammenzubauen. Schon einfache Konstruktionsaufgaben lohnen, sich der Tracepartsteile zu bedienen, wie das nachfolgende Beispiel einer Lageraufnahme zeigt, die aus einzelnen Bauteilen zu einer Baugruppe montiert werden soll.

Dazu sind zunächst sämtliche Teile im SAT-Format in BeckerCAD zu importieren, was über „Datei/Importieren/SAT-Datei…/Frei platzieren…“ geschieht.

Die zur Montage benötigten Bauteile sind in der nötigen Stückzahl einzulesen und passend zu platzieren.

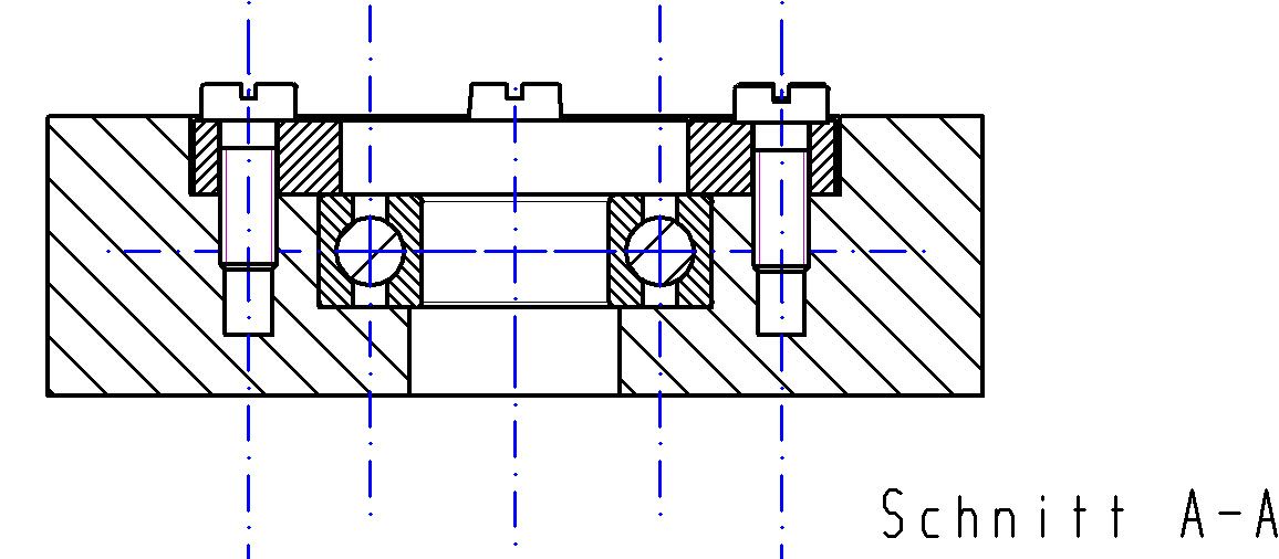
Bei der Montage, die über die Funktion „Körper neu positionieren“ eingeleitet wird, ist darauf zu achten, dass diese von innen nach außen vorgenommen werden sollte. Zunächst wird daher das Kugellager montiert.

Anschließend folgt die Montage des Deckels.

Danach müssen noch die Zylinderschrauben montiert werden.

In dieser Baugruppe sind alle Volumenmodelle weiterhin unabhängige Teile, was wichtig ist, damit die nachfolgende automatische Erzeugung der 2D-Ansichten korrekt erfolgt. Doch zeigt sich, dass der Schnitt von BeckerCAD nicht vollständig korrekt erzeugt wird. So geht beispielsweise ein Schnitt durch die Zylinderschrauben, was nicht korrekt ist.

Durch den Einbau von 2D-Normschrauben aus dem Fundus von BeckerCAD kann dieser Mangel getilgt werden.

Auch die nicht korrekte Schraffur durch die Kugeln des Rillenkugellagers kann mit einem Kniff beseitigt werden. Dazu ist es nur nötig, die Schraffur auf eine Größe einzustellen, die von BeckerCAD nicht mehr in den Kugeln eingezeichnet wird. In diesem Beispiel ist dies beispielsweise bei einem Schraffurabstand von 50 Millimeter der Fall.

Es zeigt sich, dass mit kleinen Umwegen in BeckerCAD durchaus gute Ergebnisse zu erzielen sind. Zwar wird die Leistung großer CAD-Systeme nicht erreicht, doch sind die Einschränkungen für kleine Unternehmen durchaus akzeptabel, wenn 3D-Volumenmodelle mit Traceparts-Teilen sowie den vorhandenen 2D-Normteilen kombiniert werden.

Weitergehende Ansprüche befriedigt der große CAD-Bruder „CADdy++“, der diese Einschränkungen nicht kennt. Dort werden eingebaute 3D-Teile sowie 3D-Normteile auch in Schnitten korrekt dargestellt. Wer also die Grenzen von BeckerCAD sprengen möchte, der sollte sich das CAD-Programm von Datasolid einmal näher ansehen, zumal CADdy++ sofort ohne erneute Einarbeitungszeit genutzt werden könnte.

Video "Traceparts-3D-Teile in BeckerCAD nutzen":

********