Mit einem bistabilen Relais eine H-Brücke ansteuern

Sie sind hier: WDF-Startseite

Die ersten Schritte zur Automatisierung

Relais sind in der Regel monostabil. Dies bedeutet, dass sie nur solange umgeschaltet bleiben, solange die Relaisspule erregt ist, also vom Strom durchflossen wird. Bistabile Relais hingegen sind mechanisch anders konstruiert. Sie behalten ihre Schaltstellung nach einem Stromimpuls bei, selbst wenn kein Strom mehr anliegt. Dieses Verhalten ist ideal für viele Automatisierungsprojekte geeignet, aber auch für Modelleisenbahnfreunde interessant.

Viele Automatisierungsaufgaben lassen sich sehr simpel lösen. Vielfach geht es nur darum, einen Aktor zwischen zwei Endstellungen vor- und zurückzubewegen. Dieser Aktor kann pneumatisch, hydraulisch oder elektrisch bewegt werden. In der elektrisch betriebenen Variante wird ein Elektromotor solange unter Strom gesetzt, bis ein durch ihn bewegter Schlitten eine bestimmte Position erreicht hat, was in der Regel durch Sensoren gemeldet wird.

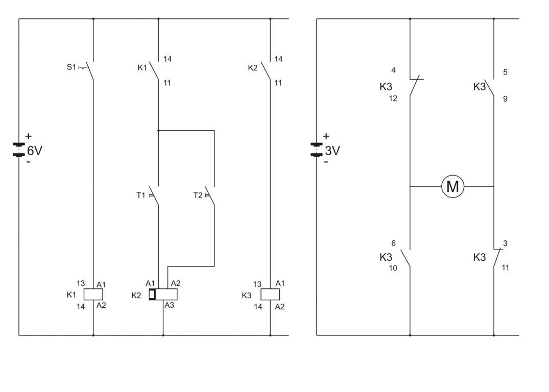
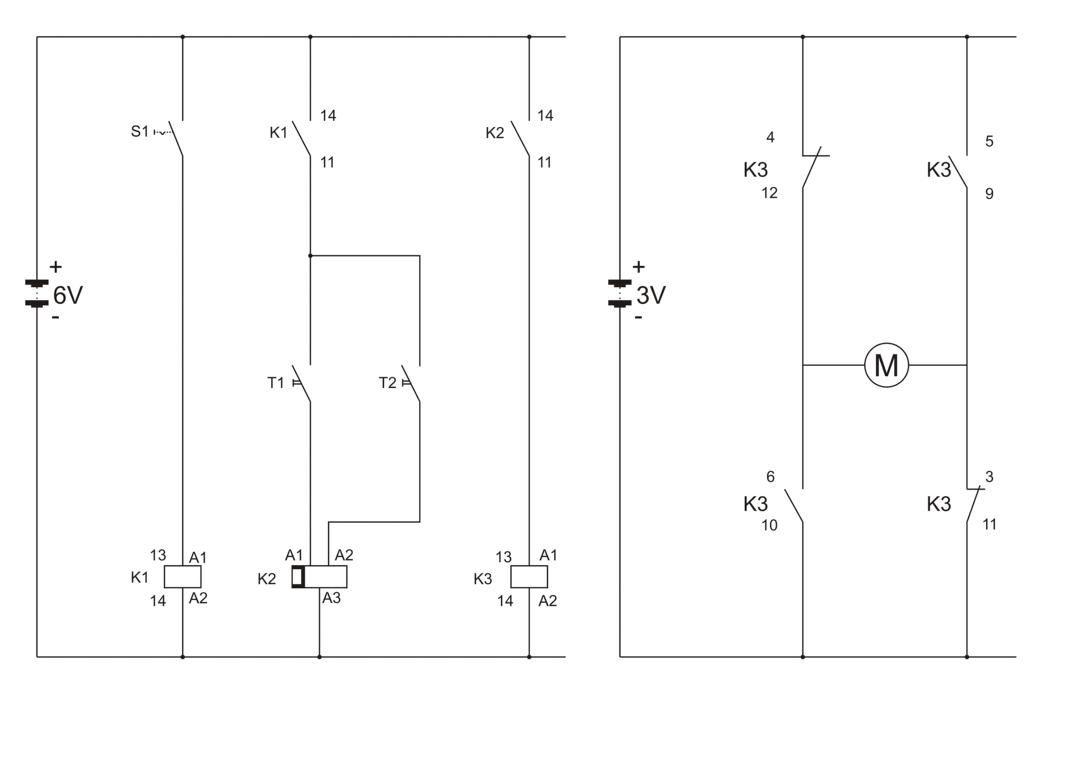
Die Änderung der Drehrichtung eines Elektromotors kann beim Einsatz der Relaistechnik über eine sogenannte H-Brücke realisiert werden. Ein bistabiles Relais sorgt dafür, dass diese H-Brücke sofort umschaltet, wenn der Aktor eine Endstellung erreicht hat. Die dazu nötige Abfrage wird von Sensoren gemeldet, die in der einfachsten Variante als mechanisch betätigte Schalter ausgeführt sind. Dies können für einen ersten Versuchsaufbau durchaus auch von Hand betätigte Taster sein, um die korrekte Funktion einer Musterschaltung zu überprüfen.

Hinweis zur Schaltung:

Die Spannung im Arbeitskreis ist stets dem zu verwendeten Aktor anzupassen. Da für einen Test ein kleiner Modellbaumotor genügt, sind in obigem Beispiel 3V verwendet worden.

Wenn die Verdrahtung korrekt vorgenommen wurde, dreht sich der Gleichstrommotor rechts- beziehungsweise linksherum. Die Drehrichtung wird durch Betätigen der Taster T1 und T2 jeweils geändert.

Hinweis für Testaufbauten:

Da bei Testaufbauten die Verdrahtung bei umfangreichen Schaltungen schon einmal den Durchblick erschwert, sollten Relais in ein Gehäuse verbaut und deren Anschlüsse nach außen geführt und zudem beschriftet werden. Auf diese Weise wird für mehr Übersicht gesorgt, was insbesondere im Fall einer Fehlersuche sehr von Vorteil ist. Dieser Rat ist zumindest für diejenigen Relais zu beherzigen, die für die H-Brücke benötigt werden. Für das bistabile Relais, das für die Ansteuerung der H-Brücke benötigt wird, ist dies nicht unbedingt nötig, da dieses auf ein Steckbrett passt, daher übersichtlich verdrahtet werden kann.

Steuerungstechnik preiswert ergründen

Für erste Gehversuche in Sachen ›Steuerungstechnik‹ muss sich niemand in große Kosten stürzen. Relais sind sehr preiswert zu erstehen und auch Aktoren müssen nicht die Welt kosten. Es empfiehlt sich, beispielsweise eine eventuell bereits vorhandene Eisenbahnanlage zu verwenden und eine Lok als Aktor einzusetzen, denn letztlich geht es nur darum zu testen, ob die ausgetüftelte Schaltung in Sachen Bewegungsablauf reibungslos funktioniert. Auf diese Weise können auch Auszubildende technischer Berufe sehr kostengünstig in ein anspruchsvolles Lerngebiet einsteigen.

Als Signalgeber für die Endlagenabfrage des Aktors eignen sich beispielsweise sogenannte Schnappschalter mit Metallhebel. Diese vereinen in einem Gehäuse einen Öffner sowie einen Schließer. Für das Erzeugen eines Signals ist die Schließer-Funktion einzusetzen. Sollte auf dem Schalter kein Aufdruck vorhanden sein, um die dazu nötigen Anschlüsse zu identifizieren, so können mit einem Durchgangsprüfer die fraglichen Anschlüsse gefunden werden.

Jeweils an einem Ende des Verfahrweges ist ein Schalter derart anzubringen, dass dieser sicher betätigt wird. Im Fall einer Modelleisenbahn eignet sich beispielsweise der Puffer optimal dazu, den jeweiligen Schalter zu betätigen.

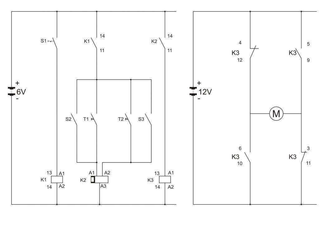
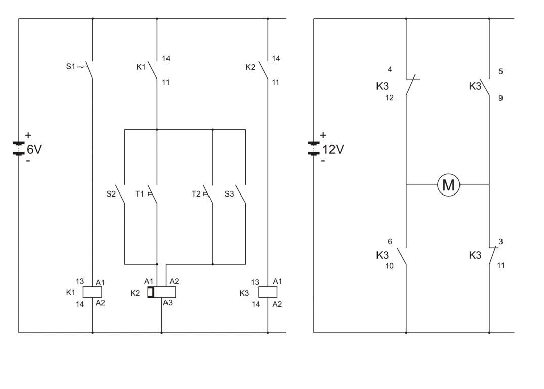
Die oben vorgestellte Schaltung, bei der ein 3V-Elektromotor für erste Versuche verwendet wurde, muss für die Eisenbahnanlage erweitert werden, damit die Endlagen der Verfahrstrecke abgefragt werden können.

Anstatt die Taster T1 und T2 durch die Schalter S2 und S3 zu ersetzen, können diese auch eingebaut bleiben, während die Schalter parallel zu den Tastern eingefügt werden, wodurch jeweils eine ODER-Funktion entsteht. Der Rückhub beziehungsweise die Rückfahrt erfolgt demnach dann, wenn Schalter S2 oder Taster T1 beziehungsweise wenn Schalter S3 oder Taster T2 betätigt werden.

Zu beachten ist zudem, dass die Spannung in der H-Brücke an den Bedarf des jeweils verwendeten Aktors angepasst wird. Da eine Eisenbahnanlage im verwendeten Beispiel mit 12V Gleichspannung betrieben wird, ist die Schaltung entsprechend geändert worden.

Video: "H-Brücke steuert Eisenbahn automatisch um"


********