Per Relaistechnik logische Funktionen realisieren

Sie sind hier: WDF-Startseite

Logische Verknüpfungen einfach umgesetzt

Logische Funktionen, wie beispielsweise UND, ODER und NICHT werden verwendet, um den Signalfluss von Anlagen zu steuern. Diesbezügliche Kenntnisse werden bereits in der Ausbildung von entsprechenden Berufen vermittelt. Insbesondere das Relais kommt hier zum Einsatz, da diese Bauelemente nach wie vor in der Industrie zum Einsatz kommen.

Ob Papierschere, Stanzmaschine oder Bearbeitungszentrum – moderne Maschinen sind umfassend abgesichert, damit Unfälle weitgehend vermieden werden. Beispielsweise senkt sich ein Schneidwerkzeug an manuell bedienten Stanzmaschinen erst dann, wenn der Bediener nach dem Einlegen eines Blechteils seine Hände aus der Gefahrenzone gebracht hat. Dies wird sichergestellt, indem er gleichzeitig zwei Taster betätigt, um die Maschine zu starten.

Um derartige Sicherheitsfunktionen an Maschinen umzusetzen, werden die beiden Taster mit einer UND-Funktion verknüpft. Diese führt wie gewünscht dazu, dass die Maschine erst dann anläuft, wenn die Bedingung ›beide Starttaster betätigt‹ erfüllt ist.

Logikfunktionen sind jedoch nicht nur für Sicherheitsfunktionen wichtig, sondern sorgen beispielsweise auch dafür, dass in einer automatisierten Anlage Roboter selbstständig starten, Schutztüren geschlossen werden oder Werkzeugwechsel stattfinden. Die Verknüpfung von Logikbedingungen lässt sich beispielsweise mit einer SPS-, aber auch mit einer Relais-Steuerung erfüllen.

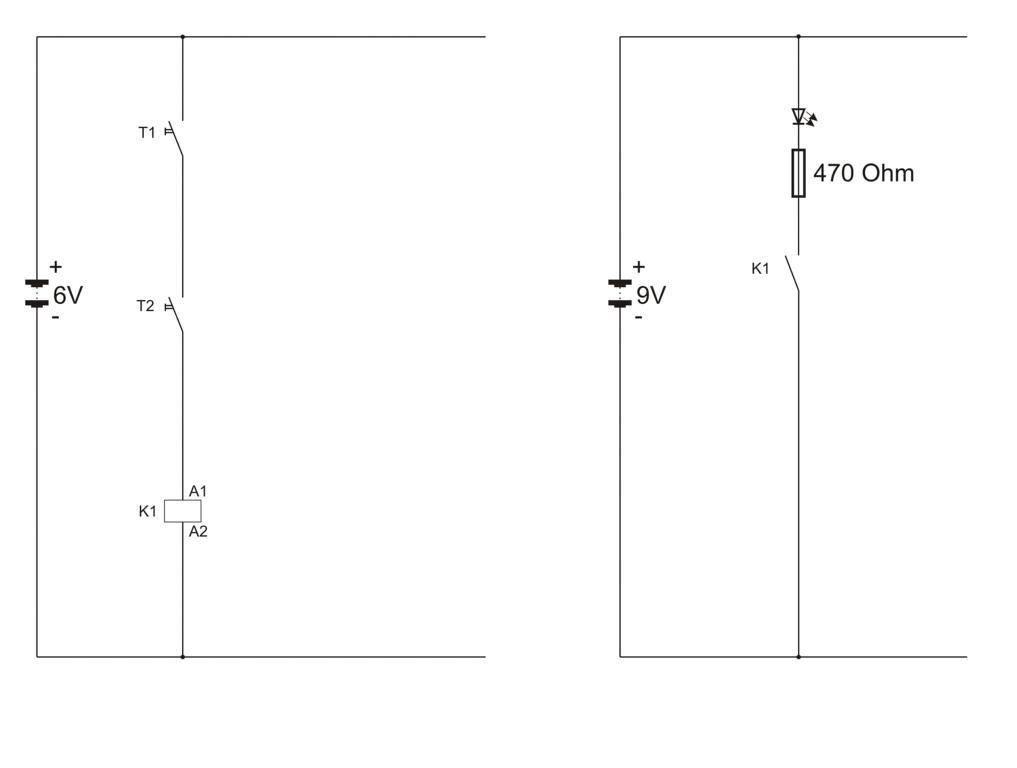
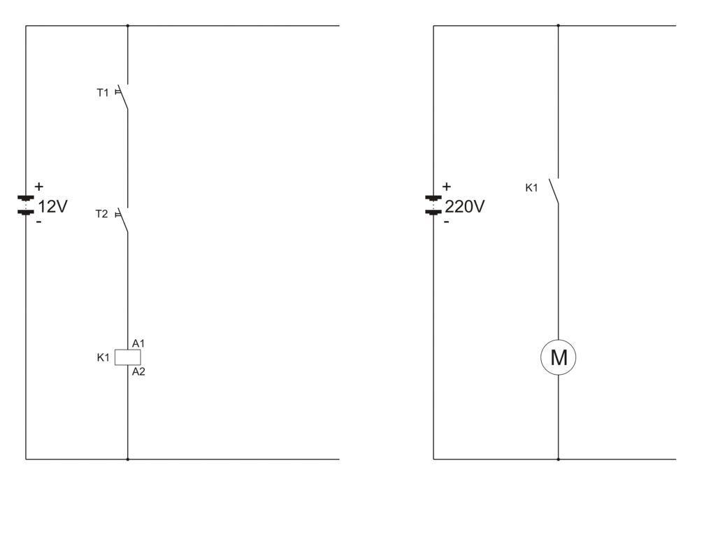
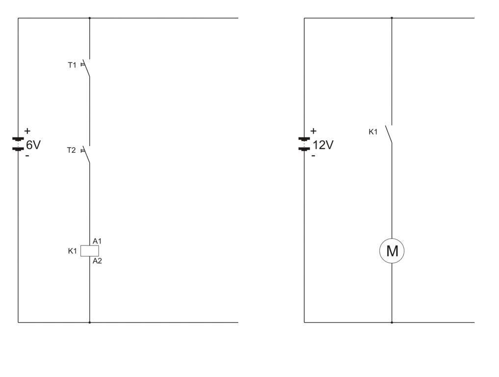
Eine per Relaistechnik umgesetzte Schaltung der erwähnten Sicherheitsschaltung an einer Maschine könnte beispielsweise wie nebenstehend gezeigt aussehen:

Diese Schaltung arbeitet mit einem Steuerstromkreis von 12 Volt und einem Arbeitsstromkreis von 220 V. Für Lehrzwecke ist eine Spannung von 220 Volt jedoch völlig ungeeignet, da davon Gefahren ausgehen. Es ist zudem völlig unnötig, sich dieser lebensgefährlichen Spannung auszusetzen, da das Prinzip der Logikfunktionen sich auch mit Niederspannung erschließt.

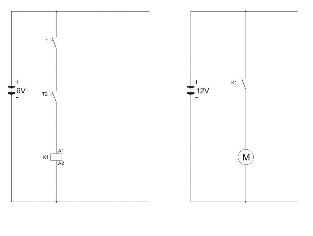
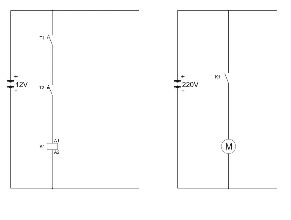
Dieses Steuerungstechnikbeispiel kann daher einfach abgewandelt werden:

Wie sich zeigt, kann problemlos ein ungefährlicher Niederspannungsbereich gewählt werden, ohne die Logikfunktion der Schaltung zu verändern. Ist kein passender Motor zur Hand, so ist es problemlos möglich, diesen durch eine LED zu ersetzen, da es im Fall einer Unterweisung schließlich nur darauf ankommt, die korrekte Funktion einer Logikschaltung sichtbar zu machen.

Die neue Schaltung sieht demnach wie nebenstehend gezeigt aus.

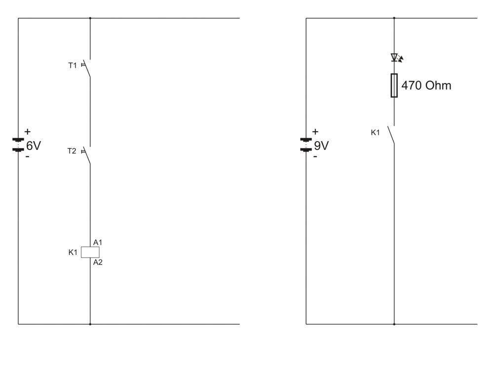
In diesem Beispiel wurde nicht nur auf LED umgestellt, sondern auch eine 9V-Spannung gewählt, damit die Schaltung einfach mittels Batteriestrom umzusetzen ist.

Nun ist ein gefahrloses und preiswertes Eintauchen in die Welt der Logikschaltungen möglich.

Die UND-Funktion

Die UND-Funktion wurde bereits vorgestellt. Damit sind beispielsweise Sicherheitsschaltungen möglich, aber auch Kombinationsabfragen (Produkt 1 UND Produkt 2), Mengenbegrenzungen (5 Stück von Typ A UND 3 Stück von Typ B) oder Zeitzuordnungen (31.12 UND 13:15 Uhr) möglich, um Ereignisse auszulösen.

Die UND-Funktion wird durch das Hintereinanderschalten von Signalgebern gebildet, deren Zahl beliebig groß sein kann. Man spricht von einer Reihenschaltung. Am Ende der Verknüpfungskette bleibt ein einziges Signal übrig, das zum Relais des jeweiligen Verknüpfungsstrangs geleitet wird.

Wie anhand der Simulation klar ersichtlich ist, entspricht die UND-Schaltung der Anfangs erwähnten Sicherheitsschaltung, die dazu dient, einen Motor an einer Stanzmaschine zu starten, sobald der Benutzer beide Schalter betätigt. In diesem Beispiel wird die Funktionalität des Motors mittels einer LED simuliert.

Die ODER-Funktion

Mit der ODER-Funktion sind beispielsweise Entscheidungen möglich, die sich für unterschiedliche Aufgabenstellungen anpassen lassen.

Kombinationsabfragen (Produkt 1 ODER Produkt 2), Mengenbegrenzungen (5 Stück von Typ A ODER 3 Stück von Typ B) oder Zeitzuordnungen (31.12 ODER 13:15 Uhr) haben mit der ODER-Funktion völlig andere Auswirkungen zum Ergebnis, als mit der UND-Funktion.

Die ODER-Funktion wird durch eine Parallelschaltung von Signalgebern gebildet, deren Zahl beliebig groß sein kann.

Im Gegensatz zur UND-Funktion ist es bei Nutzung der ODER-Funktion egal, welcher Taster gedrückt wird, um die LED zum Leuchten zu bringen. Nachfolgend ein Beispiel:

Es zeigt sich, dass die LED in jedem Fall leuchtet, wenn einer der beiden Taster betätigt wird. Die LED leuchtet natürlich auch dann, wenn beide Taster gleichzeitig betätigt werden. Soll dies unterbleiben, muss die XOR-Funktion in die Schaltung implementiert werden, die weiter unten erläutert wird.

Die NOR-Funktion

Die NOR-Funktion ist praktisch das Gegenteil der ODER-Funktion, bei der es egal ist, welche Taste betätigt wird, um die LED zum Leuchten zu bringen.

Bei der NOR-Funktion hingegen leuchtet die LED ausschließlich dann, wenn eben keine Taste gedrückt wird. Es wird klar ersichtlich, dass hier die Funktion ›NICHT ODER‹ zum Ausdruck kommt. Der Unterschied zur ODER-Funktion ist lediglich der im Ruhezustand bereits geschlossene Kontakt des Relais K1.

Funktional wird in dieser Schaltung das X-Signal bereits im Ausgangszustand erzeugt. Es liegt ein Dauersignal an, das so lange besteht, bis ein Taster betätigt wird. Die dann angeregte Spule des Relais K1 schaltet durch, was ein Öffnen des zuvor geschlossenen Kontakts zur Folge hat. Dadurch wird der Stromfluss des Arbeitskreises unterbrochen.

Nachfolgend ein Beispiel:

In der Simulation ist deutlich erkennbar, dass die LED verlischt, sobald ein Taster betätigt wird. Ursache ist das durch den Tastendruck ausgelöste Durchschalten des Relais, was eine Unterbrechung des Arbeitsstromkreises zur Folge hat.

Die NAND-Funktion

Eine weitere interessante Logikfunktion ist die NAND-Funktion. Sie ist praktisch das Gegenstück zur NOR-Funktion, da sie dafür sorgt, dass die LED ausschließlich nur dann leuchtet, wenn keine UND-Funktion vorliegt (NOT AND; NICHT UND). Der Unterschied zur UND-Funktion ist lediglich der im Ruhezustand bereits geschlossene Kontakt des Relais K1.

Nachfolgend ein Beispiel:

Wie die Simulation zeigt, verlischt die LED beziehungsweise wird das X-Signal von 1 auf 0 gesetzt, sobald beide Taster gleichzeitig betätigt werden, was die Funktion NICHT UND deutlich zum Ausdruck bringt.

Die XNOR-Funktion

Die XNOR-Funktion ist praktisch eine strengere Variante der NOR-Funktion. Während es bei der NOR-Funktion nicht möglich ist, durch gleichzeitiges Betätigen von zwei Tastern ein X-Signal zu erzeugen, ist dies bei Nutzung einer XNOR-Schaltung möglich. Diese Schaltung sorgt dafür, dass ausschließlich und exklusiv sowohl beim gleichzeitigen Betätigen der beiden Taster, als auch bei deren Nichtbetätigung ein X-Signal erzeugt wird.

Wie sich an untenstehendem Schaltplan zeigt, werden in XNOR-Schaltungen zwei Relais mit Wechsler-Funktion eingesetzt. Zu beachten ist, dass beide Öffner und beide Schließer der Relais direkt miteinander verbunden werden müssen, um eine XNOR-Funktion einzurichten.

Nachfolgend ein Beispiel:

Die Simulation zeigt, dass die vorgenannte Verschaltung dafür sorgt, dass keinesfalls eine ODER-Funktion zum Erzeugen eines X-Signals möglich ist. Das X-Signal erscheint nur dann, wenn exklusiv keine ODER-Funktion vorliegt. Die LED brennt ausschließlich dann, wenn entweder keine oder alle Taster betätigt sind.

Die XOR-Funktion

Die XOR-Funktion ist eine strenge ODER-Funktion, bei der ein X-Signal exklusiv nur dann erzeugt wird, wenn ausschließlich einer der beiden Taster betätigt wird. Werden beide Taster gleichzeitig betätigt, so erlischt das X-Signal.

Um die XOR-Funktion zu realisieren, werden zwei Relais mit Wechselfunktion benötigt. Zu beachten ist, dass jeweils ein Schließer und ein Öffner miteinander verbunden werden müssen, damit eine XOR-Funktion umgesetzt wird und die Schaltung wie gewünscht funktioniert.

Nachfolgend ein Beispiel:

Wie die Simulation zeigt, brennt die LED ausschließlich dann, solange nur jeweils einer der beiden Taster betätigt wird. Sobald beide oder keiner der Tasten betätigt wird, erlischt die LED.

Die NICHT-Funktion

Die NICHT-Funktion ist eigentlich die einfachste aller Logik-Funktionen. Sie sorgt dafür, dass ein Signal erzeugt wird, wenn der Taster NICHT betätigt wird. Da Taster in der Regel eine Schließer-Funktion besitzen, muss das dazu nötige Dauersignal über einen Öffner am Relais umgesetzt werden.

Nebenstehende Schaltung zeigt, dass die Öffner-Funktion am Relais dazu führt, dass bereits im Ruhezustand beziehungsweise in der Ausgangsstellung der Stromkreis im Arbeitsbereich geschlossen ist, daher auch ein Verbraucher gespeist werden kann.

Nachfolgend ein Beispiel:

Wie in der Simulation zu sehen ist, brennt die LED, solange die Taste T1 nicht betätigt wird.


********