Unterschiedliche LED-Bauarten erkennen, verstehen und anwenden

Sie sind hier: WDF-Startseite

Interessante Elektronikkomponenten für viele Anwendungszwecke

LEDs sind schon lange auf dem Markt und sorgen in der Elektronik für die Kenntlichmachung des Zustandes von Anlagen und Maschinen, aber auch für das Erzeugen von Licht am Schreibtisch. Die LED-Technik hat sich sehr gemausert. Wer LEDs ansteuern will, benötigt nur wenig Hintergrundwissen.

LEDs sind in einer sehr großen Vielfalt zu haben. Sie finden sich in reinen Beleuchtungskörpern ebenso, wie in Anzeigegeräten. Die Bezeichnung LED ist die Kurzform des Begriffs ›Light Emitting Diode‹. Hier hat man es also mit einer Licht-emittierenden Diode zu tun. Dioden wiederum sind Bauelemente, die Strom in einer Richtung nahezu ungehindert durchlassen, in der anderen Richtung jedoch nahezu sperren. Diese Eigenschaft wird beispielsweise bei Gleichrichtern genutzt, die Wechselstrom in Gleichstrom umwandeln.

Mit LEDs könnte man theoretisch diesen Prozess sichtbar machen, da diese Bauteile nur dann Licht abgeben, wenn der Strom in Durchlassrichtung fließt. Andernfalls bleiben LEDs dunkel. Für eine weitere Veranschaulichung kann man sich vorstellen, dass LEDs die gleiche Funktion ausführen, wie Druckluftventile. Hier bietet sich als gutes Beispiel das Fahrradventil an, das die von der Luftpumpe kommende komprimierte Luft nur in Richtung Reifeninneres durchlässt.

Das Symbol einer LED entspricht nahezu dem Symbol für eine Diode, da auch eine LED den Strom nur in einer Richtung durchlässt. Augenfälliger Unterschied sind die beiden Pfeile, die das abgestrahlte Licht darstellen.

Damit LEDs korrekt in elektronischen Schaltungen verbaut werden können, besitzen diese in der Regel ein kurzes und ein langes Beinchen, um kenntlich zu machen, wo sich der Plus- beziehungsweise der Minuspol befindet. Die Industrie hat sich geeinigt, dass das lange Beinchen der Pluspol (Anode) und das kurze Beinchen der Minuspol (Kathode) ist. Nur wenige Hersteller produzieren beide Beinchen in gleicher Länge. Oft wird dann jedoch eine Seite abgeflacht. Diese Seite bildet dann den Minuspol. In kritischen Fällen ist immer ein Polungstest durchzuführen.

LEDs werden zwischen zwei und vier Volt betrieben. Wichtig ist zu wissen, dass man die erlaubte Durchlassspannung an der Farbe der LED ermitteln kann:

LED-Farbe

Spannung

Rot

1,6 bis 2 V

Orange

2,2 bis 3 V

Grün

2,7 bis 3,2 V

Gelb

2,4 bis 3,2 V

Blau

maximal 2,9 V

Weiß

maximal 3,6 V

Diese Angaben sind allerdings nur Anhaltswerte. In jedem Fall unbedingt die Angaben auf der Verpackung der LED beachten, da die Durchlassspannung auch noch vom Halbleitermaterial abhängt, mit dem die LED gebaut wurde.

Unterhalb der Minimumwerte leuchten die entsprechenden LEDs unter Umständen nicht oder nur sehr schwach. Eine Batterie mit 1,5 Volt kann daher eine rote LED gerade so zum Leuchten bringen. Ein Widerstand ist in diesem Fall nicht nötig. Zudem ist zu beachten, dass der Durchlassstrom bei allen LEDs zwischen 10 und 20 mA liegen muss.

Da die Arbeitsspannung in Geräten oft wesentlich höher ist, als die für LEDs zulässige Spannung, muss der Strom durch das Vorschalten eines Widerstands begrenzt werden. Es spielt keine Rolle, wo dieser Widerstand eingebaut wird. Er kann sowohl am Plus- wie auch am Minuspol der LED sein Werk verrichten.

Die Formel zum Berechnen des Vorwiderstands RV lautet:

Lösung

Gegeben:

UB=9V (Batterie)

UF=1,6V (rote LED)

IF=20 mA

Mit dieser Formel kann für jede Spannung der passende Widerstand ermittelt werden, um ein und dieselbe LED in Geräten mit unterschiedlicher Spannung betreiben zu können. Dazu einige Beispiele:

Gerätebeispiel

Betriebsspannung

Berechneter Widerstand

Spannung an LED (rot)

Uhr

1,5V

unnötig

LED leuchtet sehr schwach oder gar nicht

Radio

6V

215 Ohm

1,7V

Spielzeug

9V

365 Ohm

1,7V

Kraftfahrzeug

12V

511 Ohm

1,8V

Handwerkzeug

24V

1,1 kOhm

1,8V

Hochleistungswerkzeug

48V

2,3 kOhm

1,8V

Nun wird auch klar, warum es in der Regel keine LEDs mit eingebautem Widerstand gibt: Diese LEDs würden sich nur für eine ganz bestimmte Spannung eignen. Die Flexibilität ihres Einsatzes in unterschiedlichen Geräten, die mit unterschiedlicher Spannung betrieben werden, wäre nicht mehr gegeben.

In jedem Fall ist ein Widerstand zu wählen, der über dem errechneten Wert liegt, um die LED keinesfalls zu beschädigen. Ist nun der passende Widerstand korrekt mit der LED verbunden, wird diese nach dem Anlegen der Spannung sofort aufleuchten, sofern der Plus- beziehungsweise der Minuspol nicht vertauscht wurden, da sonst die LED durch die Sperrwirkung in der Gegenrichtung natürlich dunkel bleibt. Es empfiehlt sich, derartige Versuche mit einem Steckbrett durchzuspielen, da damit ohne langes Löten rasch mehrere Varianten ausprobiert werden können.

Solche Steckbretter besitzen oben und unten einen Bereich für die Stromversorgung und dazwischen eine Rasterung mit Löchern, die senkrecht zueinander elektrisch verbunden sind. In der Mitte sowie zwischen der Stromversorgung liegt ein trennender Bereich, der entweder direkt durch die Bauteile oder mittels Drahtbrücken überbrückt werden muss. Es muss akribisch darauf geachtet werden, dass beim Stecken der Bauteile diese nicht versehentlich in ein benachbartes Loch gesteckt werden, da im harmlosen Fall die Schaltung nicht funktioniert, im ungünstigsten Fall jedoch ein Kurzschluss droht.

Auf diese Weise ist es sehr rasch möglich, einen Testaufbau zu erstellen, um den Betrieb von LEDs unterschiedlicher Farben zu testen. Es ist feststellbar, dass für die Masse der LEDs ein und derselbe Widerstand genutzt werden kann. Natürlich ist dieser stets an die Betriebsspannung anzupassen. Aus der Reihe tanzen eigentlich nur rote sowie UV-LEDs. Werden 9V als Betriebsspannung gewählt, so ist für die rote LED ein 360 Ohm- und für die UV-LED ein 280 Ohm-Widerstand passend. Für alle anderen Farben ist ein 330 Ohm-Widerstand eine gute Wahl. Ist dieser Widerstand nicht zur Hand, so kann auch ein 325 Ohm-Widerstand genutzt werden. In diesem Fall wirkt eine Durchlassspannung UF von 2,5 V, die für den Betrieb der LEDs ausreicht.

Da die LED-Technik auch in Bargraf- und Siebensegmentanzeigen steckt, können mit einem einfachen Aufbau diese Bauteile auf ihre Funktion geprüft werden. Ihre Kenndaten bewegen sich im Rahmen aller anderen LEDs, sodass der vorhandene Widerstand auch dafür verwendet werden kann. Besonders einfach sind Bargraphanzeigen anzusprechen, da die einzelnen Segmente nichts anderes sind, als einzelne LEDs, die mechanisch miteinander verbunden wurden.

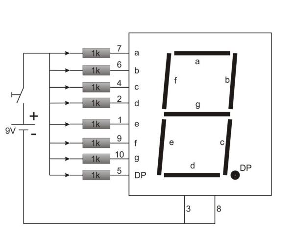
Ebenso reizvoll ist die Beschäftigung mit Siebensegmentanzeigen. Hier sind zwar ebenfalls der Idee nach einzelne LEDs zusammengeschaltet, doch hat man sich hier zur Minimierung der Anschlüsse einen Kniff einfallen lassen: Die Bauteile besitzen je nach Ausführung eine gemeinsame Anode oder eine gemeinsame Kathode. In beiden Fällen genügt es, wahlweise an Anschluss 3 oder 8 die entsprechende Polarität Plus oder Minus und an den übrigens Pins das jeweils andere Kabel anzuschließen. Durch kurzes Berühren der Pins leuchtet das zugehörige Segment auf.

Damit die jeweiligen Anschlüsse der Siebensegmentanzeige sicher identifiziert werden können, ist es ratsam, das Datenblatt der Anzeige zurate zu ziehen. In der Regel sind die gemeinsamen Anschlüsse in der Mitte zu finden und haben die Bezeichnung 3 beziehungsweise 8. Es genügt, nur einen davon zu nutzen, damit alle Segmente angesprochen werden können.

Damit nun die jeweils passenden LEDs bei einem bestimmten Ereignis aufleuchten, ist es zur korrekten Verdrahtung notwendig, die Beschaltung der Segmente zu kennen.

Die Logik ist einfach zu merken: Das erste Segment mit dem Buchstaben a startet oben, alle weiteren Segmente sind im Uhrzeigersinn angeordnet und werden mit den weiteren Buchstaben des Alphabets versehen. Die jeweiligen Pins befinden sich in unmittelbarer Nähe zum Segment.

Zur leichteren Orientierung sollte stets das Datenblatt der Anzeige zurate gezogen werden.

Die Pins einer 7-Segmentanzeige passen problemlos in Steckboards. Dies erlaubt es, auf einfache Weise deren Verschaltung und Pin-Belegung auf die Spur zu kommen. Wer sich ein wenig Zeit nimmt, kann sehr rasch die faszinierende Welt der LEDs verstehen lernen.

Das nebenstehende Schema zeigt, welches Segment bei welcher Anschlussbelegung leuchtet.

Hinweis:

Der 360 Ohm-Widerstand ist fast zu klein für diesen Aufbau. Auf der sicheren Seite steht, wer einen größeren Wert, etwa 550 Ohm wählt. Die Segmente Leuchten damit nur unwesentlich schwächer. Der Durchlassstrom wird so auf circa 13 mA und die Spannung auf 1,9 V begrenzt.

Wichtig ist zudem, dass jedes LED-Segment einen eigenen Vorwiderstand bekommt. Wird dies nicht beachtet und lediglich ein einziger Vorwiderstand an den Anschlüssen 3 oder 8 eingebaut, werden die LED-Segmente zunehmend dunkler, je mehr angesteuert werden. Der Effekt kann im obigen Bild bereits bei nur zwei leuchtenden Segmenten beobachtet werden.

Die korrekte Ansteuerung für eine LED sieht daher wie nebenstehend gezeigt aus:

Download:

Eine Excel-Tabelle zum Berechnen des Vorwiderstands ist im XLSX-Format per Klick auf den nachfolgenden Button herunterladbar.

Excel-Tabelle im XLSX-Format:


********