Via Relais eine Selbsthaltung realisieren

Sie sind hier: WDF-Startseite

Einfallsreiche Stromversorgung mit cleverer Sicherheitsfunktion

In der Automationstechnik sind Schaltungen mit Selbsthaltung eine zwingende Voraussetzung, um Sicherheitsregeln umzusetzen. Derartige Schaltung lassen sich am einfachsten mit Relais aufbauen. Diese elektronischen Bauteile bieten zudem den Vorteil einer echten Trennung von Steuer- und Leistungsteil.

Ob Radio, PC oder Maschinensteuerung – sich nach dem manuellen Einschalten selbst mit Strom versorgende Schaltungen sind in vielen elektronischen Geräten anzutreffen. Anders als mit manuell betätigten, einrastenden Schaltern sind damit Stromkreise im Gefahrfall rasch unterbrechbar.

Doch nicht nur Sicherheitsüberlegungen führten zu deren Einsatz: Sie sorgen auch für ein geordnetes Abschalten des Geräts. Dies wird beispielsweise im PC genutzt. Hier sorgt die Selbsthaltung dafür, dass die Stromversorgung beim Herunterfahren solange aufrechterhalten wird, bis alle Programme geschlossen und im Fall eines Backups sämtliche Daten auf das Backup-Medium gesichert wurden.

Einfacher Aufbau

Selbsthaltungen lassen sich auf vielfältige Weise realisieren. Besonders einfach ist der Aufbau einer derartigen Schaltung durch die Nutzung von Relais. Diese Bauteile verfügen über mehrere Öffner beziehungsweise Schließer, die für diesen Zweck genutzt werden können. Mehr zum Relais erfahren Sie hier.

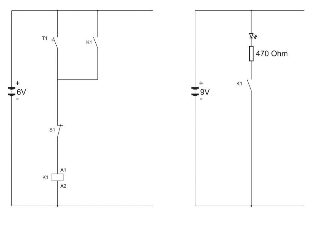
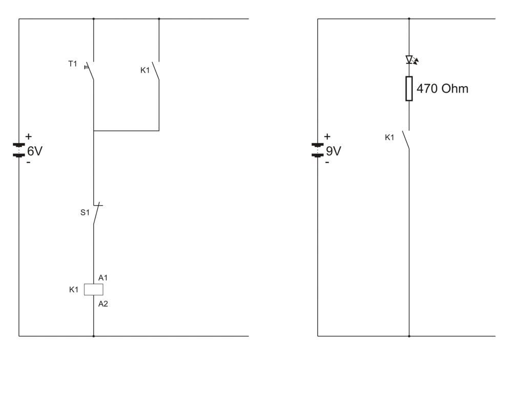
Im untenstehenden Beispiel werden ein manuell bedienter Schalter als Öffner ›S1‹ und ein manuell bedienter Taster ›T1‹ als Schließer verwendet.

Die Funktionsweise einer Selbsthaltung

Selbsthaltungen werden erst dann aktiv, wenn das dazu verwendete Bauteil zunächst manuell mit Strom versorgt wird. Im Fall eines Relais bedeutet dies, dass zunächst manuell ein Taster betätigt wird, damit Strom durch die Spule des Relais fließen kann.

Nachdem dadurch die Spule erregt wurde, werden Kontaktzungen angezogen, was dazu führt, dass alle Öffner und Schließer des Relais den gegensätzlichen Zustand annehmen. Dies bedeutet: Öffner werden geöffnet und Schließer werden geschlossen.

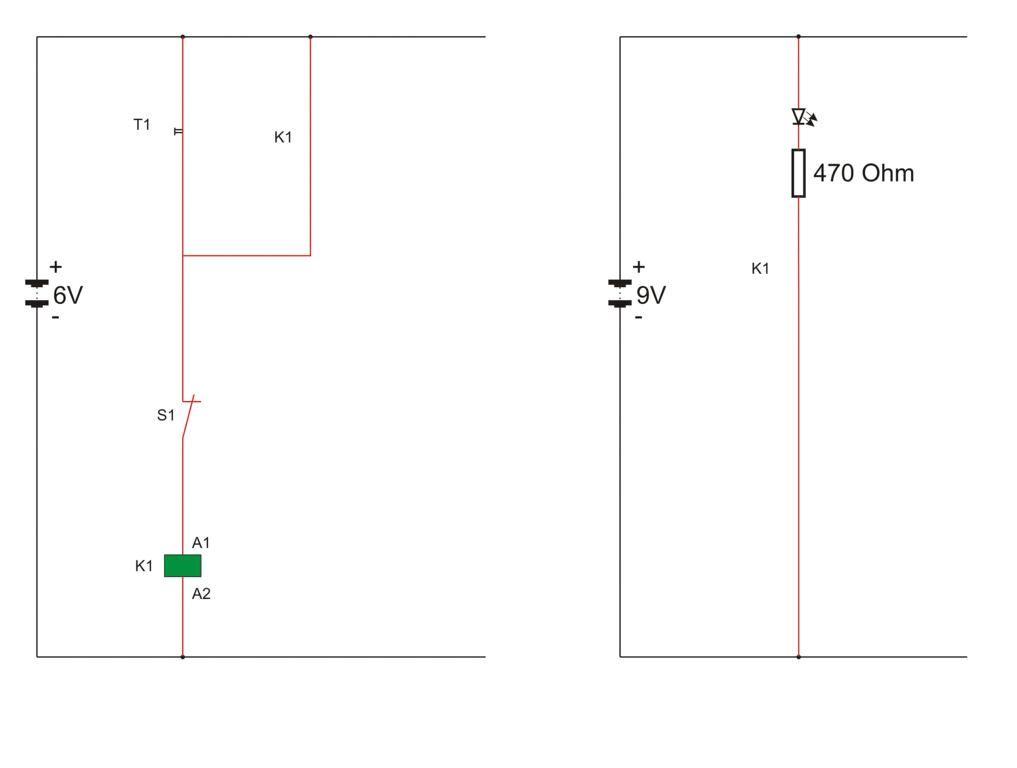
In der Beispielschaltung wird dadurch die Selbsthaltung wirksam. Nun kann der manuell betätigte Taster T1 losgelassen werden. Die Selbsthaltung sorgt dafür, dass die Schaltung weiterhin mit Strom versorgt wird, was anhand der untenstehenden Animation visualisiert wird.

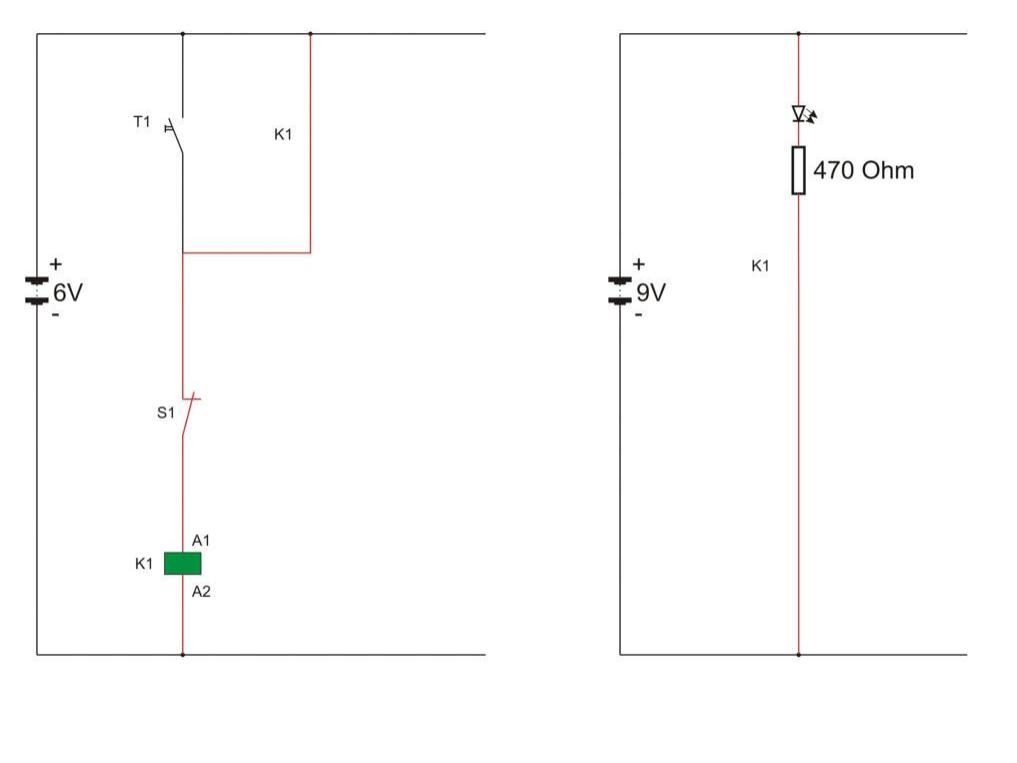
Zur Überprüfung dieser Aussage ist es zweckmäßig, eine reale Schaltung auf- und eine LED in die Schaltung einzubauen. Diese LED wird auch dann noch leuchten, wenn der Taster T1 nicht mehr betätigt wird.

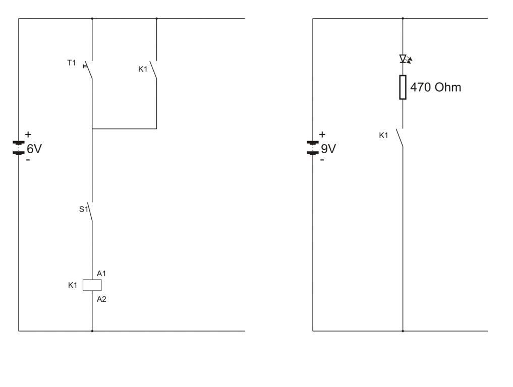
Zur Unterbrechung der Selbsthaltung ist es lediglich nötig, den Schalter S1 zu öffnen, wodurch der Stromfluss unterbrochen wird, woraufhin die Selbsthaltung zusammenbricht.

Sonderfall

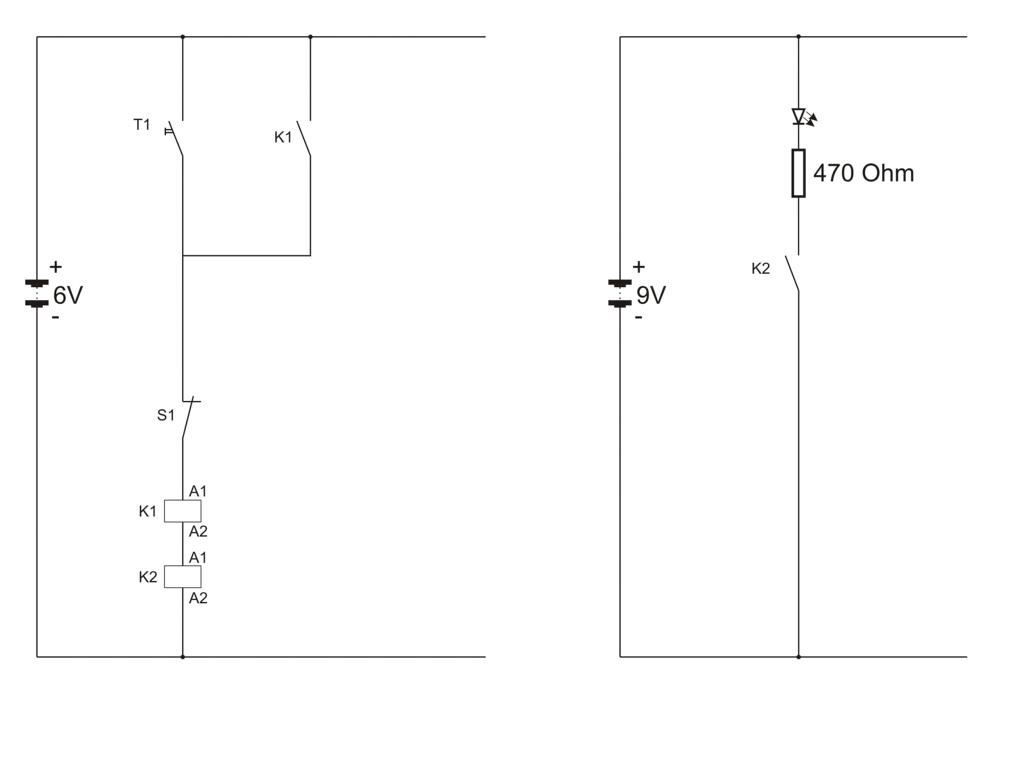
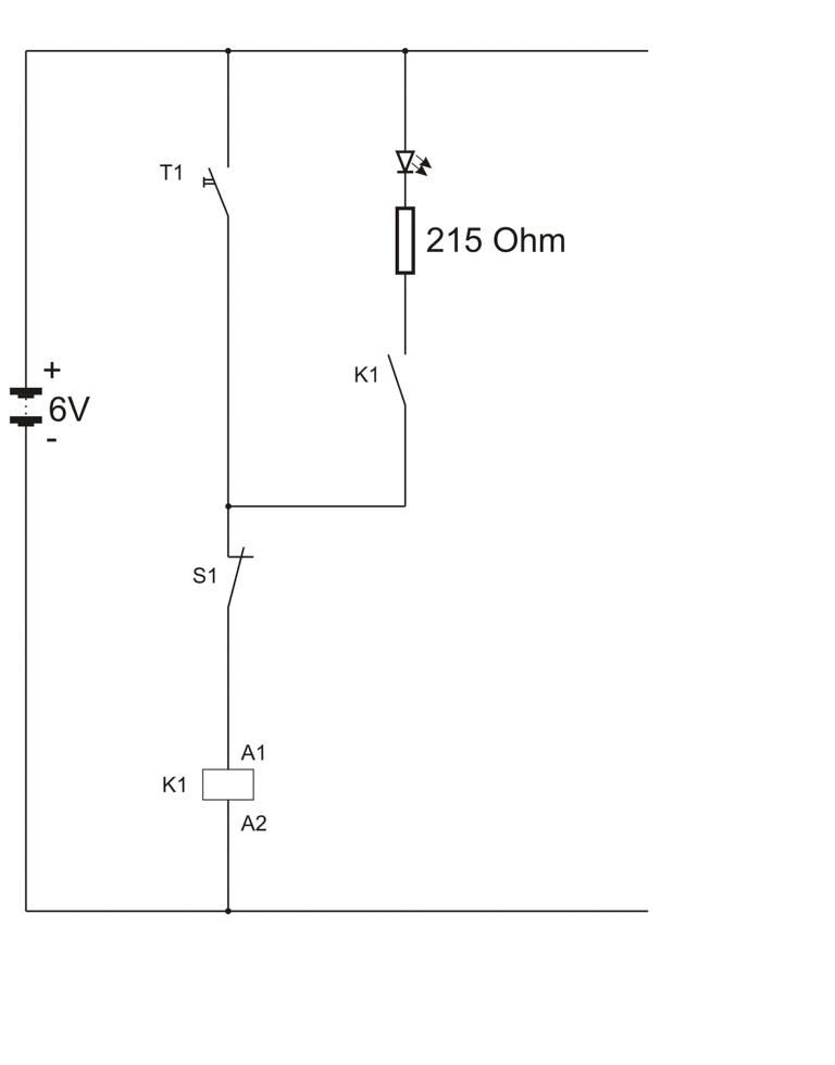
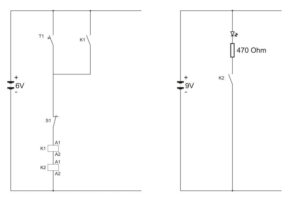
Um die obige Selbsthaltung nachzubauen, ist normalerweise ein Relais mit mindestens zwei Schließern nötig. Sollte kein derartiges Relais zur Verfügung stehen, so können auch zwei Relais mit je einem Schließer genutzt werden. In diesem Fall übernimmt ein Relais den Aufbau der Selbsthaltung, während das zweite Relais dafür sorgt, dass ein im Arbeitskreis liegender Verbraucher mit Strom versorgt wird.

Die Schaltung präsentiert sich wie nebenstehend dargestellt:

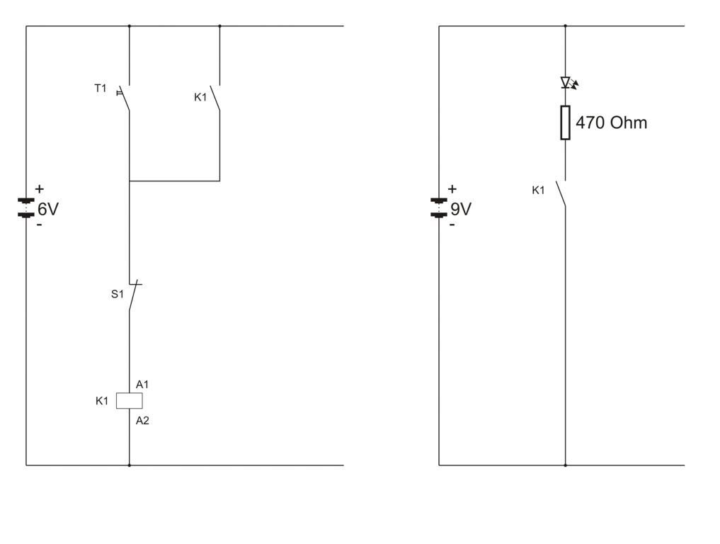
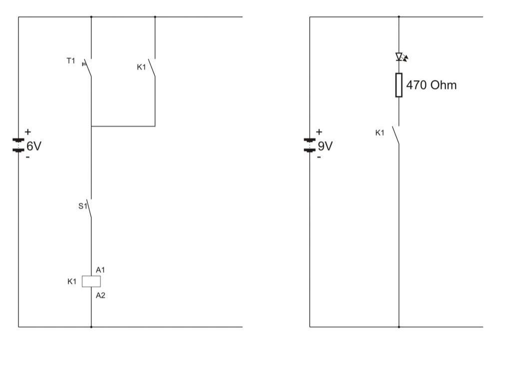
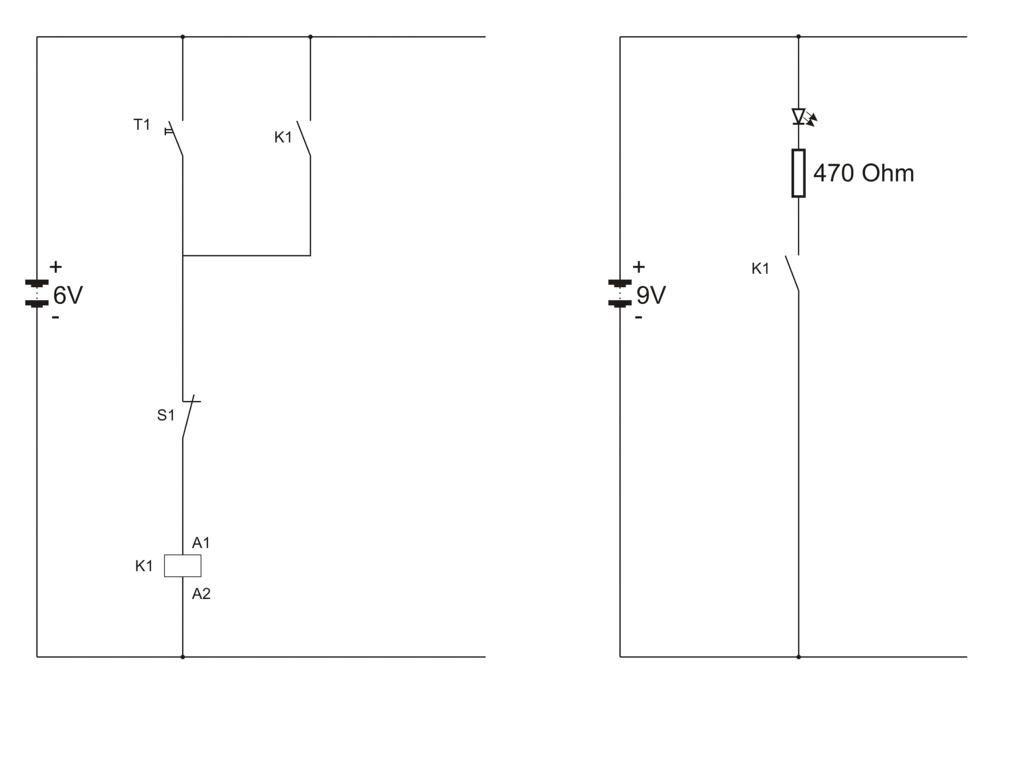
Mit dem Programm ›Fritzing‹ lassen sich Schaltungen in real anmutende Bilder für eine bessere Verständlichkeit transferieren, was natürlich von Hand erfolgt.

Der unten dargestellte, reale Aufbau demonstriert die Funktionsfähigkeit dieser Lösung.

Trennung von Steuer- und Arbeitskreis

Wie bereits angedeutet, ist es mit Relais sehr einfach möglich, getrennte Steuer- und Arbeitskreise aufzubauen. Durch diese Trennung können in beiden Kreisen unterschiedliche Betriebsspannungen genutzt werden. In der Regel werden Steuerkreise mit Kleinspannungen bis 48 Volt betrieben, während im Arbeitskreis 230 Volt und mehr die Regel sind. Es ist aber auch durchaus möglich, im Arbeitskreis eine geringere Spannung als im Steuerkreis zu verwenden, wenn dies gewünscht wird und entsprechende Bauteile verwendet werden.

Durch die Aufteilung einer Schaltung in einen steuer- und einen Arbeitskreis ist es problemlos möglich, beispielsweise kräftige Elektromotoren zu betreiben, ohne teure Bauteile für eine Steuerung verwenden zu müssen, die für diese Spannung ausgelegt sind. Ganz zu schweigen vom Stromverbrauch, der entsprechend geringer ausfällt.


********