Die korrekte Verschaltung von Gabellichtschranken

Sie sind hier: WDF-Startseite

Alternatives Schalten mit der Kraft des Lichts

Gabellichtschranken eignen sich vorzüglich, um berührungslos beispielsweise Kolbenendlagen festzustellen, das Öffnen und Schließen von Türen zu überwachen oder Drehbewegungen von Schlitzscheiben zu erkennen. Es lohnt sich daher, ihren Aufbau zu kennen, um in die Lage zu kommen, hilfreiche Schaltungen selbst zu entwickeln.

Gabellichtschranken bestehen aus zwei eigenständigen elektronischen Bauteilen, die in einem Gehäuse unverlierbar zusammengefasst sind. Kluge Köpfe haben eine LED und einen Fototransistor sinnvoll kombiniert, um ein elektronisches Bauteil zu erschaffen, das aus dem modernen Alltag nicht mehr wegzudenken ist. Ob Schublade eines DVD-Abspielgeräts, Endlagenkontrolle eines Scanners oder Drehzahlbestimmung eines Elektromotors – Gabellichtschranken sind in vielen Geräten zu entdecken.

Gabellichtschranken besitzen vier Anschlüsse, von denen jeweils zwei davon der im Gehäuse verbauten LED beziehungsweise dem Fototransistor zugeordnet sind.

Die Zuordnung der Anschlüsse ist simpel, da auf der Gehäuseoberseite der Gabellichtschranke das entsprechende Symbol für den Pluspol angegeben ist. Zusätzlich wird mit einem Buchstaben kenntlich gemacht, welches Bauteil auf welcher Seite untergebracht ist.

Der Buchstabe ›E‹ steht für die LED, während der Buchstabe ›D‹ für den Fototransistor steht.

Eselsbrücke:

Wer sich einprägt, dass das ›E‹ in LED vorhanden ist, hat eine prima Eselsbrücke, die künftiges Rätselraten bezüglich der Anschlüsse vermeidet.

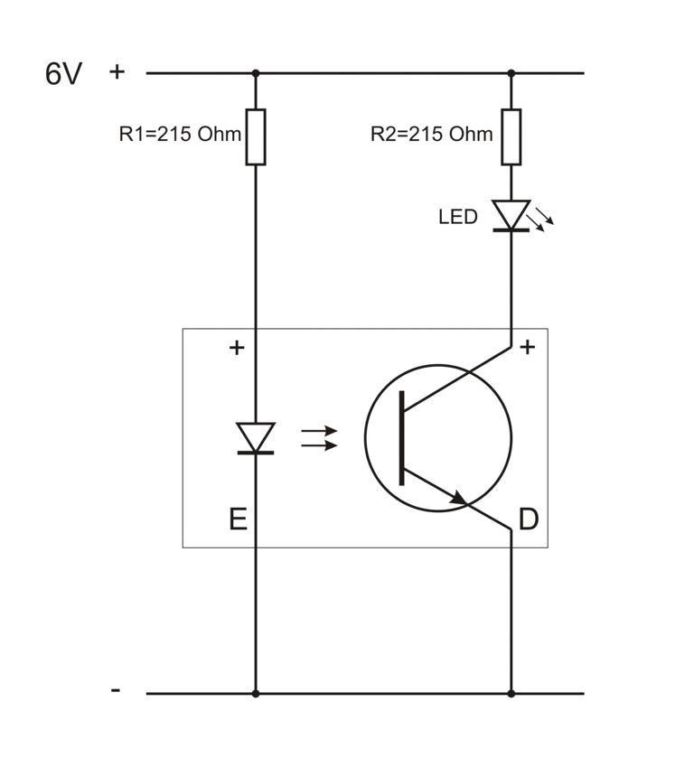
Ein erster Versuchsaufbau

Da in einer Gabellichtschranke in der Regel eine LED ohne Vorwiderstand verbaut ist, muss ein solcher – passend zur gewünschten Arbeitsspannung der Schaltung – berechnet werden. Wie dies vonstattengeht, kann hier nachgelesen werden.

Wird die Schaltung mit einer Spannung von 6 Volt betrieben, so ist ein Vorwiderstand von circa 215 Ohm zu verwenden. Da eine zweite LED die Funktion der Lichtschranke kenntlich machen soll, ist hier ein weiterer Widerstand von ebenfalls 215 Ohm zu berücksichtigen.

In diesem Beispiel wird eine Lichtschranke vom Typ ›TCST 2103‹ verwendet. In dieser Lichtschranke ist ein NPN-Fototransistor verarbeitet. Für andere Lichtschrankentypen muss eventuell das dazugehörige Datenblatt studiert werden, um auszuschließen, dass dort ein PNP-Fototransistor verbaut ist. In diesem Fall sind die Anschlüsse zu vertauschen, wenn die Schaltung nicht wie erwartet funktioniert.

Wie sich zeigt, leuchtet die auf dem Steckbrett befestigte LED, nachdem die Stromversorgung aktiviert wurde. Dies ist korrekt, da die in der Gabellichtschranke eingebaute LED ebenfalls leuchtet, sobald die Stromversorgung aktiv ist. Der dadurch ausgelöste Lichteinfall führt dazu, dass der Fototransistor durchschaltet. Wird der Lichtstrahl von der in der Gabellichtschranke eingebauten LED unterbrochen, so kommt auch der Stromfluss des Fototransistors zum Erliegen.

Im Grunde passiert beim Fototransistor nichts anderes wie in einem gewöhnlichen Transistor. Während dieser direkt über den anliegenden Strom am Basiseingang gesteuert wird, passiert dies beim Fototransistor über das einfallende Licht. Dieses Licht erzeugt einen Basisstrom, der den Strom zwischen Kollektor und Emitter zum Fließen bringt, was eine angeschlossene LED aufleuchten lässt.

Zweiter Versuchsaufbau

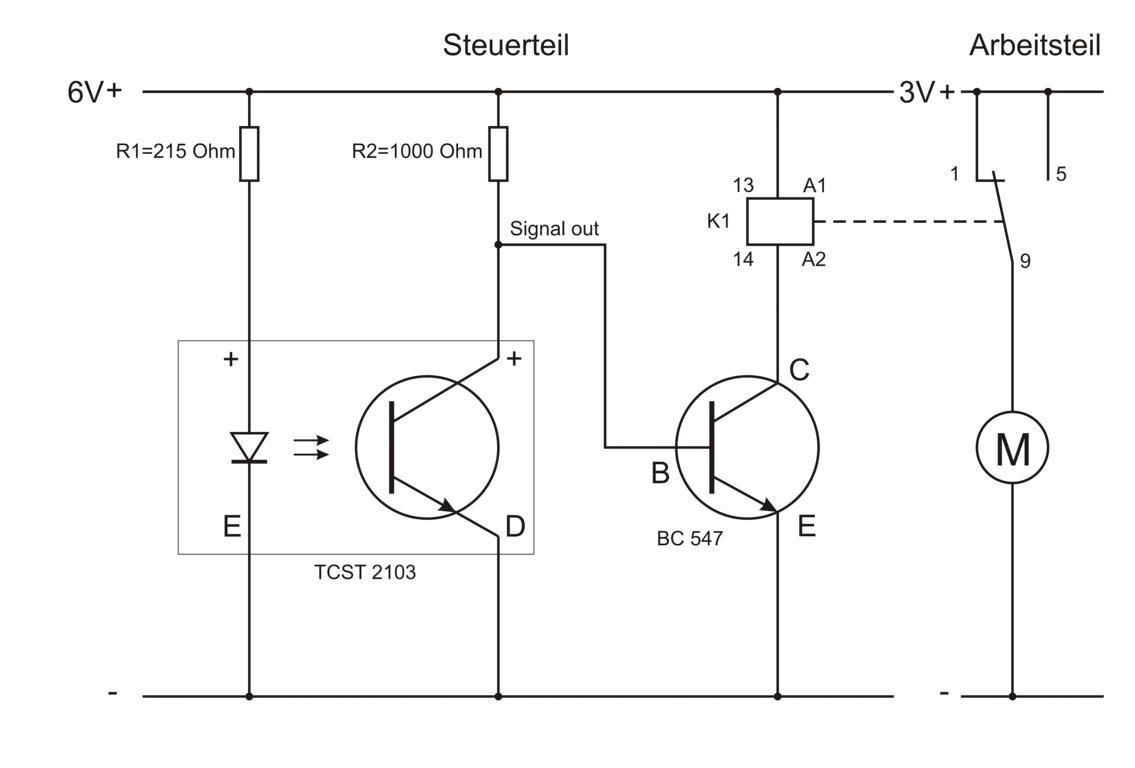
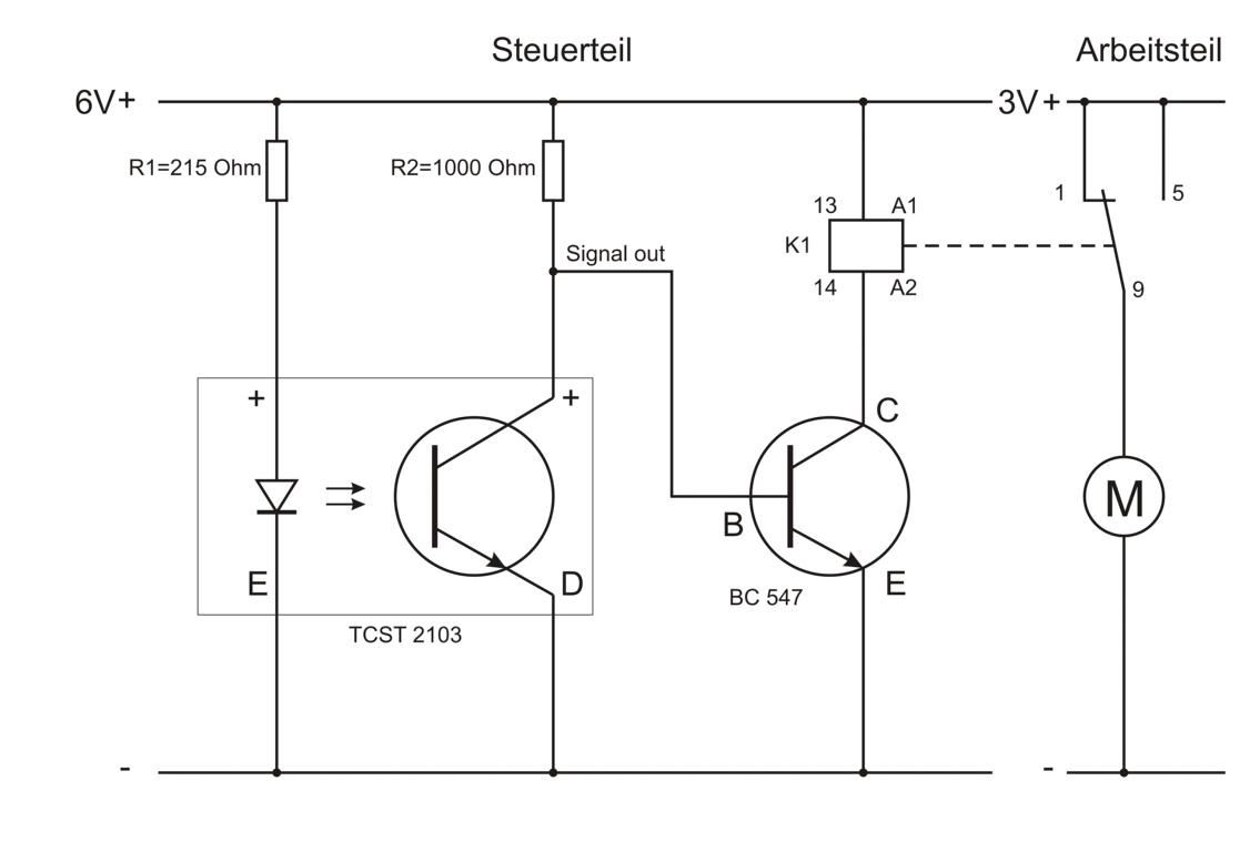
Der Sinn einer Lichtschranke ist es, ein Signal zu erzeugen, sobald die Lichtschranke unterbrochen wird. Für diesen Zweck ist es nötig, die Schaltung in einen Steuerkreis und einen Arbeitskreis aufzuteilen. Ziel soll es sein, ein Steuersignal von der Gabellichtschranke abzugreifen und es beispielsweise dem Basiseingang eines Transistors zuzuführen, der dadurch durchschaltet und einen Verbraucher mit Strom versorgt.

Wichtig ist, dass der Fototransistor der Gabellichtschranke nicht direkt am Pluspol angeschlossen wird, da sonst ein Kurzschluss droht. Ein Widerstand zwischen 1000 und 10.000 Ohm ist geeignet, damit die Schaltung wie gewünscht funktioniert.

Wie der Versuchsaufbau zeigt, leuchtet die LED auf, sobald der Schlitz der Gabellichtschranke beispielsweise mit einem Stück Papier blockiert wird. Diese Erkenntnis ist zunächst überraschend, doch zeigt sich, dass hier schlicht Physik wirkt, da der Strom sich immer den Weg des geringsten Widerstands sucht.

Erklärung:

Ist die Lichtschranke nicht unterbrochen, so wandert der Strom durch den Fototransistor. Sobald die Lichtschranke unterbrochen wird, bricht der Stromfluss durch den Fototransistor wegen des nun fehlenden Basisstroms zusammen, was dazu führt, dass sich der Strom zur Basis des Transistors aufmacht, wo er dazu beiträgt, dass dieser durchschaltet. In der Folge leuchtet die LED auf und verlischt sofort, sobald die Lichtschranke nicht mehr unterbrochen wird.

Schaltung mit Relais

Relais sind ideal, wenn es darum geht, Verbraucher mit hohem Strombedarf zu versorgen. Auch diese können einfach per Lichtschranke angesteuert werden. Dazu muss die vorige Schaltung nur leicht verändert werden.

Wie zu sehen ist, wurde die LED entfernt und stattdessen ein Relais eingebaut. Sollte die Funktion sowie die Handhabung eines Relais noch unbekannt sein, so empfiehlt es sich, hier einzulesen.

In diesem Beispiel ist die Schaltung derart ausgeführt, dass ein Motor solange in eine bestimmte Richtung dreht, bis die Lichtschranke unterbrochen wird. Ist dies der Fall, so wird der Motor durch das Umschalten des Relais seine Drehrichtung ändern und sofort wieder die ursprüngliche Drehrichtung einnehmen, wenn die Lichtschranke wieder freigegeben wird.

Alternativ kann die Schaltung so verändert werden, dass der Motor zunächst steht und erst dann anläuft, wenn die Lichtschranke unterbrochen wird. Dazu muss lediglich dafür gesorgt werden, dass zwischen dem Pluspol des Arbeitskreises und dem Anschluss 1 des Relais eine Verkabelung unterbleibt.


********