Elektronik
Die korrekte Verschaltung von Gabellichtschranken
Gabellichtschranken eignen sich vorzüglich, um berührungslos beispielsweise Kolbenendlagen festzustellen, das Öffnen und Schließen von Türen zu überwachen oder Drehbewegungen von Schlitzscheiben zu erkennen. Es lohnt sich daher, ihren Aufbau zu kennen, um in die Lage zu kommen, hilfreiche Schaltungen selbst zu entwickeln. Mehr erfahren...
Einführung in das Rechnen mit Binärzahlen
Dass Computer mit Binärzahlen rechnen, ist mittlerweile nahezu Allgemeinwissen. Weniger bekannt ist, wie dies vonstattengeht. Das einfache Beispiel der Umwandlung von drei Dezimalzahlen in ihre Binärwerte sowie deren anschließende Addition vermittelt Einblicke in die Welt der Computer, von wo aus der Bau eines einfachen Relaisrechners à la Zuse nicht mehr weit ist. Mehr erfahren...
Mit einem bistabilen Relais eine H-Brücke ansteuern
Relais sind in der Regel monostabil. Dies bedeutet, dass sie nur solange umgeschaltet bleiben, solange die Relaisspule erregt ist, also vom Strom durchflossen wird. Bistabile Relais hingegen sind mechanisch anders konstruiert. Sie behalten ihre Schaltstellung nach einem Stromimpuls bei, selbst wenn kein Strom mehr anliegt. Dieses Verhalten ist ideal für viele Automatisierungsprojekte geeignet, aber auch für Modelleisenbahnfreunde interessant. Mehr erfahren...
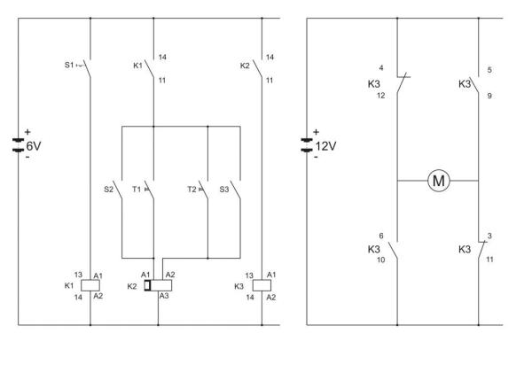
Via Relais eine Selbsthaltung realisieren
In der Automationstechnik sind Schaltungen mit Selbsthaltung eine zwingende Voraussetzung, um Sicherheitsregeln umzusetzen. Derartige Schaltung lassen sich am einfachsten mit Relais aufbauen. Diese elektronischen Bauteile bieten zudem den Vorteil einer echten Trennung von Steuer- und Leistungsteil. Mehr erfahren...
Per Relaistechnik logische Funktionen realisieren
Logische Funktionen, wie beispielsweise UND, ODER und NICHT werden verwendet, um den Signalfluss von Anlagen zu steuern. Diesbezügliche Kenntnisse werden bereits in der Ausbildung von entsprechenden Berufen vermittelt. Insbesondere das Relais kommt hier zum Einsatz, da diese Bauelemente nach wie vor in der Industrie zum Einsatz kommen. Mehr erfahren...
Mit dem Relais eine H-Brücke aufbauen
Um die Drehrichtung von Gleichstrommotoren zu ändern, müssen nur die Anschlüsse getauscht werden. Für diesen Zweck eignen sich Relais optimal. Wichtig ist es lediglich zu wissen, wie die Anschlüsse dieser altbewährten Elektrobausteine verdrahtet werden müssen, damit die Funktion einer H-Brücke gegeben ist, die einen Tausch der Anschlüsse ermöglicht. Mehr erfahren...
Das altbewährte Relais per Grundschaltung kennenlernen
Das Fach Steuerungstechnik ist seit vielen Jahren in vielen technischen Berufen Bestandteil der Ausbildung. Dem praktischen Teil nähert sich der Auszubildende in der Regel mit Equipment namhafter Hersteller. Zum Üben für zuhause bieten sich preiswert beschaffbare Elektronikbauteile an, um zu ergründen, wie eine Selbsthaltung funktioniert oder Aktoren korrekt angesteuert werden. Dreh- und Angelpunkt solcher Schaltung sind vielfach Relais, wie sie schon Konrad Zuse für seine Computer verwendet hat. Mehr erfahren...
Kondensatoren auf ausgefuchste Weise prüfen
Kondensatoren können mit entsprechend ausgestatteten Multimetern sehr leicht geprüft werden. Leider besitzen nicht alle Multimeter die dazu nötige Funktion. Wer sich kein neues Gerät mit entsprechender Funktionalität anschaffen will, kann auch mit einem eigenen Prüfaufbau sehr einfach und preiswert ans Ziel kommen. Mehr erfahren...
Einen einfachen Transistortester selbst bauen
Wenn eine elektronische Schaltung nicht funktioniert, so gibt es dafür viele Ursachen. Lötstellen können kalt, Kabel falsch verlötet oder Bauteile defekt sein. Gegen Elektrostatik empfindliche elektronische Bauteile, wie beispielsweise Transistoren, sollten daher beim Bau von Schaltungsprototypen vor dem Einbau mit einem Multimeter auf Funktion geprüft werden. Leider lassen viele moderne Multimeter jedoch keine Prüfung von Transistoren mehr zu. Ein einfaches Selbstbaugerät lässt diesen Mangel aber rasch vergessen. Mehr erfahren...
Der Kondensator – ein Hochleistungsakku im Miniformat
Kondensatoren sind wichtige Elektronikbauteile, ohne die elektronische Schaltungen nicht funktionieren würden. Der Grund: Sie haben die Eigenschaft, Strom rasch aufzunehmen und wieder abzugeben. Dadurch sind sie in der Lage, kurzzeitige Stromschwankungen auszugleichen. Zeit, mehr über diese wichtigen Bauteile zu erfahren. Mehr erfahren...
Der Widerstand – ein wichtiges Bauteil für die Elektrotechnik
Widerstände sind existenzielle Bauteile für die Elektronik. Sie sorgen dafür, unzulässig hohe Spannungen auf einen zulässigen Wert zu senken, damit elektronische Bauteile nicht zerstört werden. Damit dies klappt, müssen die jeweils passenden Widerstände ausgewählt und in die Schaltung eingebaut werden. Die Grundlage dafür legen recht einfache Berechnungen sowie die Kenntnis eines Farbcodes. Mehr erfahren...
Unterschiedliche LED-Bauarten erkennen, verstehen und anwenden
LEDs sind schon lange auf dem Markt und sorgen in der Elektronik für die Kenntlichmachung des Zustandes von Anlagen und Maschinen, aber auch für das Erzeugen von Licht am Schreibtisch. Die LED-Technik hat sich sehr gemausert. Wer LEDs ansteuern will, benötigt nur wenig Hintergrundwissen. Mehr erfahren...
Der Transistor – ein Schalter, Verstärker und Regler
Transistoren können auf dreierlei Art verwendet werden: als Schalter, als Verstärker und als Regler. Obwohl die Handhabung von Transistoren unkritisch ist, muss zunächst ein wenig Theorie beachtet werden, damit dieser nicht durch zu hohe Spannungen zerstört wird oder Anschlüsse versehentlich vertauscht werden, wodurch dessen korrekte Funktion unterbleibt. Mehr erfahren...
Der interessante Timer 555 und seine Fähigkeiten
Der Timer-Baustein 555 ist ein wirklich universeller Helfer, um mit wenig Aufwand Schaltungen aufzubauen, die in der Lage sind, langsame und schnelle Impulse zu erzeugen. Egal ob Blinklicht-, Abtast- oder Soundsignale gewünscht sind, mit diesem Timer sind Frequenzen von einem Hertz bis zu rund 500 Kilohertz problemlos erzeugbar. Mehr erfahren...
„Relais“ – ein Top-Programm für einfache Relais-Schaltungen
Das Fach Steuerungstechnik ist in vielen technischen Berufen Bestandteil der Ausbildung. Auszubildende lernen in diesem Fach beispielsweise, wie eine Selbsthaltung funktioniert oder Aktoren korrekt angesteuert werden. Dreh- und Angelpunkt solcher Schaltungen sind vielfach sogenannte Relais. Um derartige Schaltungen gefahrlos und in Echtzeit testen zu können, eignet sich bestens das Programm „Relais“ von Burkhard Brauer, mit dem Relais-Schaltungen sehr einfach erstellt und getestet werden können. Mehr erfahren...
Mit der Open-Source-Software „Fritzing“ zur Elektronik-Schaltung
In der Ausbildung zum Elektroniker oder zum Mechatroniker lernen Azubis, elektronische Schaltpläne zu lesen und in reale Schaltungen umzusetzen. Nicht für jeden ist diese Hürde leicht zu nehmen. Mit der Software ›Fritzing‹ der Fachhochschule Potsdam kommt fundierte Hilfestellung. Mehr erfahren...
Einen Schrittmotor per Arduino ansteuern
Sollen Schrittmotoren mit dem Arduino angesteuert werden, so muss dazu ein sogenannter Schrittmotortreiber verwendet werden. Eine Variante ist der L293 DNE, wie er beispielsweise von Texas Instruments produziert wird.
Eine korrekt vorgenommene Zuordnung der Pins am Arduino ist für die Funktion des Schrittmotors eine wichtige Voraussetzung.

